SKF61952MA轴承详细参数

发布时间:2026-05-30
深沟球轴承, 单列, 无密封件
主要数据尺寸 基本负荷额定值 疲劳负荷限值 额定速度 体积 型号
动态 静态 参照速度 限制速度
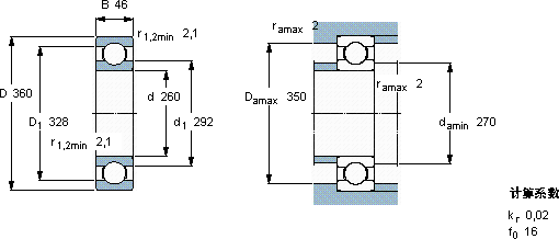
d D B C C0 Pu
mm kN kN r/min kg -
260360462122706,553600300014,561952 MA

SKF61952MA深沟球轴承供应商

八零动力专业销售61952MA深沟球轴承,库存SKF61952MA大量现货,与SKF合作,咨询热线:022-58519723业务咨询
SKF61952MA高精度的轴承,为设备的稳定运行提供了坚实保障它在纺织机械中的应用,确保了设备的高速运转 它的可回收性,减少了废弃物处理成本 为设备的精确运行提供了保障,该轴承的精度控制精准,为设备的精确运行提供了保障它的制造工艺,堪称工业艺术的典范 轴承的耐用性强,减少了设备的停机维护时间,八零动力SKF深沟球轴承品种全,价格优,质量有保证!

用户关注最多的SKF轴承型号

SKF22332CC/W33* SKF29460 SKF2x7311BECBJ SKF51201V/HR11Q1 SKF6203-2Z/VA228 SKF71815CD/P4A SKF7313BECBY SKFCR45X55X7HMSA10V SKFCR80x100x10CRW1R SKFGEC480FBAS SKFPCM353950E SKFS7015ACD/P4A SKFSC7018FB/P7 SKFTU15/16FM SKFYAR203-010-2F/AH

61952MA深沟球轴承近似的SKF轴承型号

SKF61952MA SKF61952 SKF61952MA SKF61952MA SKF619/530

用户关注最多的轴承狗热门型号

SKF  CR410500 LYC  NN 3044 K/P5W33 SKF  GS89313 LYC  352040 X2 FAG  SD548-N-FZ-AF-L + 222SM220-MA TIMKEN  78255X/78551 TIMKEN  F-3067-C NACHI  24024EX1K30 FAG  BND3268-H-C-Y-BF-S FAG  BND3284-H-C-T-BF-S MRC  NF332 SYEYR  NU2313 国产  NU212M/P6S0 KOYO  22338RHAK+H2338 LYC  3-944G2K1

版权所有©2009-2015 轴承狗zcgou.com ICP备案:津ICP备14004550号-13