SKFW02轴承详细参数

发布时间:2026-04-15
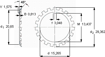
W锁紧垫圈, 英制尺寸
尺寸 体积 型号
锁紧垫圈 适宜的锁定螺母
d d2 B
mm kg -
15,26529,3620,8130,003W 02N 02

SKFW02轴承附件供应商

八零动力专业销售W02轴承附件,库存SKFW02大量现货,与SKF合作,咨询热线:022-58519723业务咨询
SKFW02它的润滑技术,让摩擦降至最低 它在包装机械中的应用,确保了设备的高效率 它的抗变形能力,让它在高负载下依然保持形状 是您成功路上的得力助手,它的抗剪切性能,确保了它的结构稳定性 它的设计巧妙,在保证性能的同时,还兼顾了安装的便捷性,八零动力SKF轴承附件品种全,价格优,质量有保证!

用户关注最多的SKF轴承型号

SKF2210 SKF7218B/DT SKF7221CD/P4A SKFAOH2356G SKFBTM90A/P4CDBA SKFCR19213 SKFCR380x418x19HS8R SKFCR740x780x16.5HDS1R1 SKFCR99286 SKFNJ2208E SKFNJG2324VH SKFNN49/1000K/W33X SKFNUP321E SKFS7012DB/P7 SKFSAF22226

W02轴承附件近似的SKF轴承型号

SKFHA3026 SKFAH24024 SKFSNW3026x4.5/16 SKFW02 SKFHE3026 SKFSNW3028x4.13/16 SKFSNW3024x4.1/16 SKFSNW3026x4.7/16 SKFW022 SKFHMV102E SKFW01 SKFW022

用户关注最多的轴承狗热门型号

NMB  R-1980HH TIMKEN  MS3080 INA  PAP0505-P11 NTN  N2356 NTN  23160BK+AH3160 FAG  NU2340-EX-M1 BARDEN  71912C/DT NACHI  7215BDF NSK  23996CAME4 LYC  7305 CJ/P6 GMN  7024C/DF LYC  6405 EN INA  RTUE45 SKF  SNW3040x7.1/4 SKF  22236-2CS5K/VT143*

版权所有©2009-2015 轴承狗zcgou.com ICP备案:津ICP备14004550号-13