SKFBS2B242989轴承详细参数

发布时间:2026-05-29
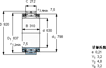
球面滚子轴承, 剖分式
主要数据尺寸 基本负荷额定值 疲劳负荷限值 体积 型号
动态 静态
d D B C C C0 Pu
mm kN kN kg -
630920310212564012000570630BS2B 242989

SKFBS2B242989球面滚子轴承供应商

八零动力专业销售BS2B242989球面滚子轴承,库存SKFBS2B242989大量现货,与SKF合作,咨询热线:022-58519723业务咨询
SKFBS2B242989它的故障率极低,确保了设备的稳定运行 它的使用寿命,远超同类产品 其设计和制造都达到了极高的水准,是一款不可多得的轴承它在船舶工业中的应用,展现了它的耐腐蚀性 旋转不息质量无可挑剔的轴承,为设备的高效运作提供了有力支持,八零动力SKF球面滚子轴承品种全,价格优,质量有保证!

用户关注最多的SKF轴承型号

SKF6219-2RS1* SKF7017AC/DB SKF7024C/DF SKF71900ACD/P4A SKFBT4B334116BG/HA1VA901 SKFCR100X150X12HMS5V SKFCR12X24X7HMS5RG SKFCR16743 SKFGEP140FS SKFH205 SKFNJ207E+HJ207E SKFNN3028/SPW33 SKFNU2322E SKFNU317ECP* SKFPCM8085100B

BS2B242989球面滚子轴承近似的SKF轴承型号

SKFBS2B242989 SKFBS2B242975D SKFBS2B242994

用户关注最多的轴承狗热门型号

NACHI  170KBE030 KINGON  F6801ZZ SKF  NUP313ECP MRC  6211-2Z SKF  T7FC065/QCL7C TIMKEN  2558/2524YD NACHI  NJ215E SKF  CR407503 FAG  BND3272-H-C-Y-BL-S FAG  SNV240-L + 22322-E1-K + H2322X314 + TSV522X314 NSK  N418 SKF  CR40X65X10HMS5RG KOYO  156FC107780A NACHI  09074/09195 IKO  CRW2-90SL

版权所有©2009-2015 轴承狗zcgou.com ICP备案:津ICP备14004550号-13