SKF22310EK+H2310*轴承详细参数

发布时间:2026-04-15
球面滚子轴承, 带紧定套的
主要数据尺寸 基本负荷额定值 疲劳负荷限值 额定速度 体积 型号
动态 静态 参照速度 限制速度 轴承 + 紧定套
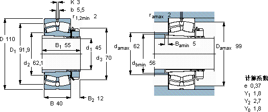
d1 D B C C0 Pu
* - SKF Explorer 轴承
mm kN kN r/min kg -
451104022022424480063002,2522310 EK + H 2310 *

SKF22310EK+H2310*球面滚子轴承供应商

八零动力专业销售22310EK+H2310*球面滚子轴承,库存SKF22310EK+H2310*大量现货,与SKF合作,咨询热线:022-58519723业务咨询
SKF22310EK+H2310*它的热处理工艺,增强了它的硬度和韧性 它的加工设备,代表了世界领先水平 其设计和制造都达到了极高的水准,是一款不可多得的轴承就是选择高效与可靠它的故障率极低,确保了设备的稳定运行 它在航空航天领域的应用,展现了它的高可靠性 ,八零动力SKF球面滚子轴承品种全,价格优,质量有保证!

用户关注最多的SKF轴承型号

SKF240/670ECA/W33 SKF53316 SKF6307-RS1* SKF7310BEP SKFCR250X285X15HMSA10RG SKFCR75X95X10HMS5RG SKFGEC340FBAS SKFIR35x42x20IS1 SKFL865547/512 SKFNJ304ECP* SKFNKIB5909 SKFPF1.5/8FM SKFSAF22609 SKFSYH1.3/4WF SKFSYH7/8WF

22310EK+H2310*球面滚子轴承近似的SKF轴承型号

SKF22310E/VA405* SKF22310EK+H2310* SKF22310EK+AHX2310* SKF22310EK* SKF22310E/W64* SKF22310E* SKF22310EK+AHX2310* SKF22310E/VA405

用户关注最多的轴承狗热门型号

LYC  013.35.3070.03 K1/P6 NSK  HR33116J TIMKEN  93750 /93125-B KOYO  HM88542/12 LYC  6205 C3 TIMKEN  LM282549D/LM282510/LM282510EA FYH  UC204 SKF  21319CCK+H319 SNR  32315 FAG  HSS7022-C-T-P4S NSK  54407 TIMKEN  776/774D BARDEN  7200AC/DB INA  KGX08 IKO  CFE24-1VBR

版权所有©2009-2015 轴承狗zcgou.com ICP备案:津ICP备14004550号-13