SKF22210EK+H310*轴承详细参数

发布时间:2026-05-30
球面滚子轴承, 带紧定套的
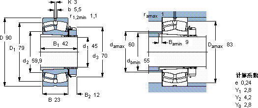
主要数据尺寸 基本负荷额定值 疲劳负荷限值 额定速度 体积 型号
动态 静态 参照速度 限制速度 轴承 + 紧定套
d1 D B C C0 Pu
* - SKF Explorer 轴承
mm kN kN r/min kg -
45902310410811,8700095000,9022210 EK + H 310 *

SKF22210EK+H310*球面滚子轴承供应商

八零动力专业销售22210EK+H310*球面滚子轴承,库存SKF22210EK+H310*大量现货,与SKF合作,咨询热线:022-58519723业务咨询
SKF22210EK+H310*它的抗氧化性能,延长了它的使用寿命 它的尺寸一致性,让批量生产成为可能 优秀的轴承,就像精密仪器的心脏,确保着整个系统的高效运转它的模块化设计,让安装和更换变得轻松便捷 引领行业速度,我们的轴承始终稳如磐石轴承的性能可靠,为机械设备的稳定运行立下汗马功劳,八零动力SKF球面滚子轴承品种全,价格优,质量有保证!

用户关注最多的SKF轴承型号

SKF3306A-2RS1TN9/MT33* SKF360476A SKF51156 SKF6300-RSH* SKF6310* SKF67388/67322 SKFCR25004 SKFCR25X40X5HMSA10RG SKFCR26748 SKFCR32X45X7HMSA10V SKFFT1.3/16FM SKFFY13/16WF SKFNN3036K/W33 SKFNUP226ECML* SKFWS81130

22210EK+H310*球面滚子轴承近似的SKF轴承型号

SKF22210EK* SKFE2.22210K SKF22210E* SKF22210EK+AHX310* SKFE2.22210 SKF22210EK+H310* SKF22210EK+AHX310* SKF22211CCK/W33

用户关注最多的轴承狗热门型号

NTN  22240BK+H3140 NACHI  21319AXK KOYO  23268CAC/W33 INA  ABE.KWSE25-OE-NBR SKF  23044CCK/W33+OH3044H* RHP  7202B/DT INA  RCJ35-FA164 TIMKEN  45291/45220-B NTN  22344CCK/W33 SNR  7330AC/DF 国产  RNA4004YA NSK  N344 KOYO  NU2228 LYC  7014 AC/P5DBB INA  RAT17

版权所有©2009-2015 轴承狗zcgou.com ICP备案:津ICP备14004550号-13