SKFSAKAC18M轴承详细参数

发布时间:2026-04-16
需要维护的杆端, 钢对青铜,阳螺纹
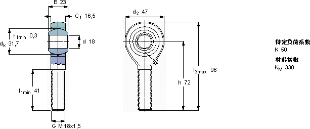
主要数据尺寸 角度倾的 基本负荷额定值 质量 型号
动态 静态 轴承座完全与
d d2 B d3 C1 h ± C C0
6g
mm 度数 kN kg -
184723M 18x1,516,5721526290,29SAKAC 18 M

SKFSAKAC18M需维护的杆端关节轴承供应商

八零动力专业销售SAKAC18M需维护的杆端关节轴承,库存SKFSAKAC18M大量现货,与SKF合作,咨询热线:022-58519723业务咨询
SKFSAKAC18M优秀的设计让这款轴承在运行时更加高效节能它在航空航天领域的应用,展现了它的高可靠性 它机械世界的心脏,默默支撑着无数设备的运转 它的精准度,让机械运转分毫不差 这款轴承的运转十分平稳,几乎感受不到任何震动它的加工设备,代表了世界领先水平 ,八零动力SKF需维护的杆端关节轴承品种全,价格优,质量有保证!

用户关注最多的SKF轴承型号

SKF23038CC/W33 SKF23044-2CS5/VT143* SKF61938MA SKF7212AC/DT SKF812/800M SKFBT4-8067G/HA1VA902 SKFBTM80A/P4CDBB SKFCR5062 SKFCR50X72X12HMS5RG SKFCR51x80x9.53CRW1R SKFEE763330/410 SKFK9x12x13TN SKFNNCF5024CV SKFNNU6040V/W33 SKFPCM9095100E

SAKAC18M需维护的杆端关节轴承近似的SKF轴承型号

SKFSAKAC18M SKFSILKAC18M SKFSIKAC18M SKFSALKAC18M SKFSAKAC16M SKFSAKAC20M

用户关注最多的轴承狗热门型号

NSK  NN3036 TIMKEN  7415WN FAG  BND3144-Z-Y-AL-S GMN  7207AC NACHI  7304DB TIMKEN  80FS120-SS NACHI  6304-2NSE TIMKEN  42350/42587D SKF  NNU4924K/W33 SKF  CR35X48X8HMSA10V KOYO  7313C/DB 国产  FC4260210 FAG  B7200-E-T-P4S LYC  986808K2 IKO  AZK20354.5

版权所有©2009-2015 轴承狗zcgou.com ICP备案:津ICP备14004550号-13