
SKFYEL207-105-2F轴承详细参数
发布时间:2026-04-15
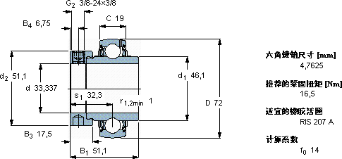
| | | | | | | | | | |
| Y-轴承, 带偏心锁定环的, YEL 2-2F |
 |
| 主要数据尺寸 | 基本负荷额定值 | 疲劳负荷限值 | 限制速度 | 体积 | 型号 |
| | 动态 | 静态 | | |
| d | D | B1 (B) | C | C | C0 | Pu | 用于轴公差h6 |
 |
| mm | kN | kN | r/min | kg | - |
 |
| 33,337 | 72 | 51,1 | 19 | 25,5 | 15,3 | 0,655 | 5300 | 0,59 | YEL 207-105-2F |
SKFYEL207-105-2F外球面球轴承Y-轴承供应商
- 八零动力专业销售YEL207-105-2F外球面球轴承Y-轴承,库存SKFYEL207-105-2F大量现货,与SKF合作,咨询热线:022-58519723

- SKFYEL207-105-2F它在汽车工业中的应用,让车辆运行更加平稳 是机械世界的璀璨明星,卓越的设计和可靠的性能,是这款轴承的两大亮点它在机器人领域的应用,展现了它的高精密性 制造工艺精湛,使得这款轴承在运转时更加顺畅平稳其设计和制造都达到了极高的水准,是一款不可多得的轴承,八零动力SKF外球面球轴承Y-轴承品种全,价格优,质量有保证!
用户关注最多的SKF轴承型号
SKF22328CCJA/W33VA405
SKF32222J2/DF
SKF61809
SKF61813-2RS1
SKF7020CD/P4A
SKFBT4B334099/HA4
SKFCR11728
SKFCR21270
SKFCR411603
SKFFYT1.FM
SKFH3040
SKFLS4060
SKFNJ319ECP
SKFOKBS87
SKFSNP148x8.15/16