SKFSIL15ES轴承详细参数

发布时间:2026-05-30
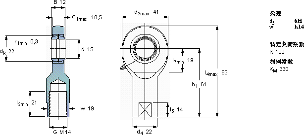
需要维护的杆端, 钢对钢,阴螺纹
主要数据尺寸 角度倾的 基本负荷额定值 质量 型号
动态 静态 杆端带右或左旋螺纹
d d2 B d3 C1 h1± C C0
6H
mm 度数 kN kg -
154112M 1410,56181737,50,18SIL 15 ES

SKFSIL15ES需维护的杆端关节轴承供应商

八零动力专业销售SIL15ES需维护的杆端关节轴承,库存SKFSIL15ES大量现货,与SKF合作,咨询热线:022-58519723业务咨询
SKFSIL15ES它的故障率极低,确保了设备的稳定运行 这轴承的选材讲究,坚固耐用,寿命远超同类产品有效增强了机械设备的竞争力它的低摩擦设计,减少了能量损耗 性能卓越的它,为机械设备的稳定运行提供了可靠保障这轴承的质量过硬,经得起时间和高强度工作的考验,八零动力SKF需维护的杆端关节轴承品种全,价格优,质量有保证!

用户关注最多的SKF轴承型号

SKF33115/Q SKF71901C/DB SKF7220AC/DF SKF7220BECBP* SKFC7009FB/P7 SKFCR14824 SKFCR25X52X10HMS5V SKFCR31494 SKFH414249/210/Q SKFHK2516 SKFNJ2219E+HJ2219E SKFRIS207A SKFSYE3.7/16H SKFVJ-PDNB207 SKFW13

SIL15ES需维护的杆端关节轴承近似的SKF轴承型号

SKFSI15ES SKFSIL15ES SKFSA15ES SKFSAL15ES SKFSIL15C SKFSIL17C

用户关注最多的轴承狗热门型号

TIMKEN  32SF52-TT FAG  SNV290-L + 222SM140-TVPA + TCV532 FAG  SNV120-L + 2213-K-TVH-C3 + H313X206 + TCV513 TIMKEN  8578/8520CD+X2S-8578 KOYO  NU221 GMN  7201C MAC  NJ213 ASK  NJ422 NTN  NF321 SKF  BT4B332658/HA4 STEYR  N238 SKF  TU1.3/16FM FAG  BND3268-Z-T-AL-S TORRINGTON  23030CCK/W33 IKO  TAM916

版权所有©2009-2015 轴承狗zcgou.com ICP备案:津ICP备14004550号-13