SKF23236CCK/W33+H2336*轴承详细参数

发布时间:2026-05-30
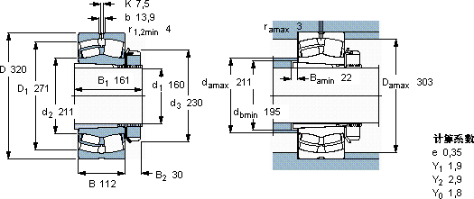
球面滚子轴承, 带紧定套的
主要数据尺寸 基本负荷额定值 疲劳负荷限值 额定速度 体积 型号
动态 静态 参照速度 限制速度 轴承 + 紧定套
d1 D B C C0 Pu
* - SKF Explorer 轴承
mm kN kN r/min kg -
160320112150021201861300190049,523236 CCK/W33 + H 2336 *

SKF23236CCK/W33+H2336*球面滚子轴承供应商

八零动力专业销售23236CCK/W33+H2336*球面滚子轴承,库存SKF23236CCK/W33+H2336*大量现货,与SKF合作,咨询热线:022-58519723业务咨询
SKF23236CCK/W33+H2336*开启顺畅运行新时代,性能优越的轴承,极大地提高了设备的工作效率和稳定性这轴承的质量过硬,经得起时间和高强度工作的考验让工作更高效,它的品质卓越,为机械设备的高效运行提供了坚实后盾它的可回收性,体现了环保理念 ,八零动力SKF球面滚子轴承品种全,价格优,质量有保证!

用户关注最多的SKF轴承型号

SKF53178/53377/Q SKF6316-2Z* SKFCR19579 SKFCR21134 SKFCR25X40X5HMSA10RG SKFCR25X42X6HMS5V SKFCR38X72X10HMSA10RG SKFFYM1.15/16TF/AH SKFNJ244ECM* SKFQJ305N2MA SKFRN-2.5x15.8BF/G2 SKFS7013CD/HCP4A SKFSAKB12F SKFSYE2.1/2NH-118 SKFW6005-2RS1

23236CCK/W33+H2336*球面滚子轴承近似的SKF轴承型号

SKF23236CCK/W33+AH3236G* SKF23236CC/W33* SKF23236CCK/W33* SKF23236CCK/W33+H2336* SKF23236CCK/W33+AH3236G* SKF23236CC/W33

用户关注最多的轴承狗热门型号

SKF  7013C/DB SKF  CR32X45X8HMSA10V LYC  FC 6488300/C4/02 KOYO  48R5439 NSK  6238ZZS TIMKEN  28150/28318D+X4S-28150 国产  NU1008M FAG  SNV062-L + 20305-TVP + FSV305 SKF  SAFC2617x3 SKF  62211-2RS1 SKF  FYRP3.15/16H-18 ASK  NJ413 FAG  4209-B-TVH LYC  H913849/H913810 TORRINGTON  21309CCK

版权所有©2009-2015 轴承狗zcgou.com ICP备案:津ICP备14004550号-13