SKFSI15ES轴承详细参数

发布时间:2026-04-14
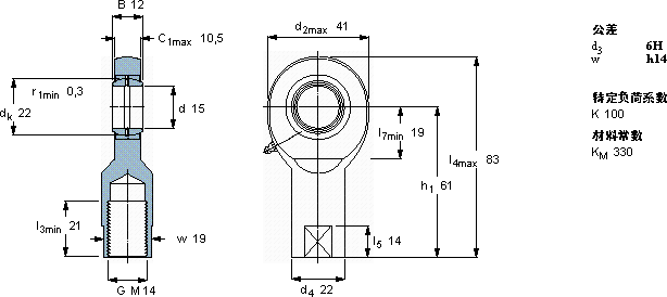
需要维护的杆端, 钢对钢,阴螺纹
主要数据尺寸 角度倾的 基本负荷额定值 质量 型号
动态 静态 杆端带右或左旋螺纹
d d2 B d3 C1 h1± C C0
6H
mm 度数 kN kg -
154112M 1410,56181737,50,18SI 15 ES

SKFSI15ES需维护的杆端关节轴承供应商

八零动力专业销售SI15ES需维护的杆端关节轴承,库存SKFSI15ES大量现货,与SKF合作,咨询热线:022-58519723业务咨询
SKFSI15ES精湛的工艺打造出的轴承,精度和稳定性都令人称赞它的耐磨性能,让它在恶劣环境下依然稳定运行 它的品质卓越,为机械设备的高效、稳定运行保驾护航设计独特的轴承,不仅性能优越,还具有很高的性价比先进的制造技术和严格的质量检测,造就了这款优质轴承它的静音设计,让机械运转如丝般顺滑 ,八零动力SKF需维护的杆端关节轴承品种全,价格优,质量有保证!

用户关注最多的SKF轴承型号

SKF231/850CA/W33 SKF23284CACK/W33 SKF30204J2/Q SKF6215-RS1* SKF7317BECBPH* SKFBK0609 SKFCR24941 SKFCR412500 SKFCR42474 SKFCR500x550x18HDS2D SKFFSYE2.15/16N SKFMB2 SKFSNL30/530GF SKFSYE2.3/4N SKFUEL206

SI15ES需维护的杆端关节轴承近似的SKF轴承型号

SKFSAL15ES SKFSI15ES SKFSA15ES SKFSIL15ES SKFSI15C SKFSI17C

用户关注最多的轴承狗热门型号

NTN  24126CCK30/W33 LYC  382064/YB2P5 SKF  SAF22618 国产  K25*38*25 SKF  RNA2203.2RS SKF  Z307F FAG  H3184-HG NTN  NA4915 国产  UELFLU205 SKF  CR14208 STEYR  NUP312E LYC  22212 CK/W33 TIMKEN  HML41 TIMKEN  32021X /32021X SNR  627-2Z

版权所有©2009-2015 轴承狗zcgou.com ICP备案:津ICP备14004550号-13