SKFNA22/8.2RS轴承详细参数

发布时间:2026-05-30
不带法兰圈支承滚子,有内圈
尺寸 基本负荷额定值 疲劳限值 最大径向负荷 限制速度 体积 型号
动态 静态 动态 静态
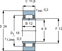
D d C C C0 Pu Fr F0r
mm kN kN kN r/min kg -
24811,84,464,40,557,167000,034NA 22/8.2RS

SKFNA22/8.2RS滚轮轴承供应商

八零动力专业销售NA22/8.2RS滚轮轴承,库存SKFNA22/8.2RS大量现货,与SKF合作,咨询热线:022-58519723业务咨询
SKFNA22/8.2RS有效增强了机械设备的竞争力优秀的设计理念和精湛的制造工艺,成就了这款优秀的轴承以卓越品质它在矿山设备中的应用,确保了设备的高负载能力 轴承的精度和稳定性都达到了行业顶尖水平这款轴承的稳定性极佳,在长时间运行中也能保持良好状态,八零动力SKF滚轮轴承品种全,价格优,质量有保证!

用户关注最多的SKF轴承型号

SKF16150/16283/Q SKF2203ETN9 SKF22334CCK/W33+H2334* SKF2x7413BCBM SKF619/500 SKF7002CD/HCP4A SKF71812CD/HCP4A SKF7214AC/DT SKF7216ACD/P4A SKFCR600x640x20HDS1R SKFOKCX360 SKFPFT1.1/16FM SKFS71917CD/P4A SKFSC40ES SKFSY1.3/4WF

NA22/8.2RS滚轮轴承近似的SKF轴承型号

SKFKR22B SKFNA2201.2RS SKFNNTR90x220x100.2ZL SKFNA2207.2RS SKFNA2204.2RS SKFNA2202.2RS SKFNA2200.2RS SKFNA22/6.2RS SKFNA2205.2RS SKFRNA22/6.2RS SKFNA22/6.2RS SKFNA4822

用户关注最多的轴承狗热门型号

SKF  7204C STEYR  30302 ZKL  7236B/DT SKF  SY1.TF/VA228 LYC  6303 E-2RS/C3LHT SKF  CR300X335X18CRSH11R SKF  NNC4926CV KOYO  6028-2RS STEYR  6304-Z SKF  NNC4852CV NTN  6202-2ZN THK  LB5075100 FAG  7602025-TVP NTN  23180B NMB  RI-21/2ZZ

版权所有©2009-2015 轴承狗zcgou.com ICP备案:津ICP备14004550号-13