SKFSAA70ES-2RS轴承详细参数

发布时间:2026-04-26
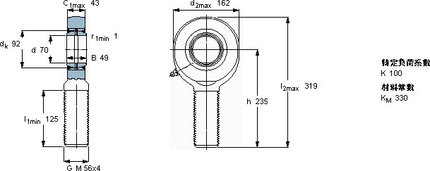
需要维护的杆端, 钢对钢,阳螺纹, 两面密封件
主要数据尺寸 角度倾的 基本负荷额定值 质量 型号
动态 静态 杆端带右或左旋螺纹
d d2 B d3 C1 h ± C C0
6g
mm 度数 kN kg -
7016249M 56x44323563154907,90SAA 70 ES-2RS

SKFSAA70ES-2RS需维护的杆端关节轴承供应商

八零动力专业销售SAA70ES-2RS需维护的杆端关节轴承,库存SKFSAA70ES-2RS大量现货,与SKF合作,咨询热线:022-58519723业务咨询
SKFSAA70ES-2RS轴承的精度和稳定性都达到了行业顶尖水平它的精密性,让它在高精度设备中无可替代 它的抗震性能,确保了它在振动环境下的可靠性 它的精密制造工艺,让人叹为观止 高精度与高可靠性的完美结合,成就了这款杰出的轴承质量无可比拟的轴承,在行业内树立了良好的品质标杆,八零动力SKF需维护的杆端关节轴承品种全,价格优,质量有保证!

用户关注最多的SKF轴承型号

SKF22311EK+AHX2311* SKF315606 SKF6206N* SKF718/710AMB SKF71910ACE/HCP4A SKF71921CD/HCP4A SKF7220B/DB SKFBTM120A/HCP4CDBB SKFC39/600M* SKFCR34889 SKFCR40x54x7CRW1R SKFCR47X65X10HMS5RG SKFNUP409 SKFPCM15015560B SKFQJ1264N2MA

SAA70ES-2RS需维护的杆端关节轴承近似的SKF轴承型号

SKFSIR70ES SKFSCF70ES SKFSI70ES-2RS SKFSALA70ES-2RS SKFSILA70ES-2RS SKFSIL70ES-2RS SKFSAA70ES-2RS SKFSIA70ES-2RS SKFSC70ES SKFSAL70ES-2RS SKFSAA60TXE-2LS SKFSAA70TXE-2LS

用户关注最多的轴承狗热门型号

KOYO  39581/20 国产  K14*20*12 NSK  54306 NACHI  5202-2NS KOYO  24060CACK30/W33 MAC  NU2215 SKF  P85R-40FM TIMKEN  MBL34 NTN  24060B LYC  52320 SKF  S71924ACD/HCP4A RIV  NU316 NSK  29420 NACHI  NU213E IKO  GBR324116

版权所有©2009-2015 轴承狗zcgou.com ICP备案:津ICP备14004550号-13