SKFSAL12C轴承详细参数

发布时间:2026-04-14
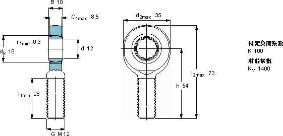
免维护杆端, 阳螺纹, 钢/烧结铜复合材料
主要数据尺寸 角度倾的 基本负荷额定值 质量 型号
动态 静态 轴承座完全与密封件
d d2 B d3 C1 h ± C C0
6g
mm 度数 kN kg -
123510M 128,5541011,424,50,071SAL 12 C

SKFSAL12C免维护的杆端关节轴承供应商

八零动力专业销售SAL12C免维护的杆端关节轴承,库存SKFSAL12C大量现货,与SKF合作,咨询热线:022-58519723业务咨询
SKFSAL12C它的低噪音设计,减少了对环境的噪音污染 卓越的设计理念,赋予了这款轴承超凡的性能精准承载它机械世界的心脏,默默支撑着无数设备的运转 品质卓越的它,在各种工况下都能展现出优异的性能它的精密设计,展现了人类智慧的巅峰 ,八零动力SKF免维护的杆端关节轴承品种全,价格优,质量有保证!

用户关注最多的SKF轴承型号

SKF22309EK+H2309* SKF22334CC/W33 SKF29328E* SKF608-2Z/C3WT* SKF7240C SKFBT2B332673/HA4 SKFBT4B328551/HA1 SKFBT4B329071G/HA1VA901 SKFCR22610 SKFCR75X110X12HMSA10V SKFHM89446/2/410/2/QCL7C SKFNNCL4960CV SKFJLM104948AA/910AA/Q SKFYAT203 SKFSNL3172F

SAL12C免维护的杆端关节轴承近似的SKF轴承型号

SKFSA12C SKFSILKB12F SKFSI12C SKFSIKB12F/VZ019 SKFSIKB12F SKFSALKB12F SKFSAKB12F SKFSAL12C SKFSIL12C SKFSAL10E SKFSAL12E

用户关注最多的轴承狗热门型号

SKF  NU216ECP FAG  SNV100-L + 2211-K-TVH-C3 + H311X200 + FSV511 NSK  NJ1068 SKF  NNCF5048CV TIMKEN  1997X/1922 国产  512/630M 国产  51232 STEYR  53215 国产  6207/Z2 NACHI  23126EX1 FAG  B71920-E-2RSD-T-P4S KOYO  NNU4944K SKF  CR860x920x25HDS1R NSK  22318EAE4 IKO  NAST17R

版权所有©2009-2015 轴承狗zcgou.com ICP备案:津ICP备14004550号-13