SKFQJ314N2MA*轴承详细参数

发布时间:2026-05-30
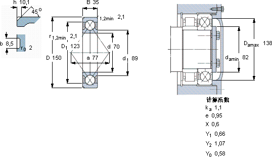
角接触球轴承, 四点接触球轴承
主要数据尺寸 基本负荷额定值 疲劳负荷限值 额定速度 体积 型号
动态 静态 参照速度 限制速度
d D B C C0 Pu * - SKF Explorer 轴承
mm kN kN r/min kg -
70150352001807,35560080003,15QJ 314 N2MA *

SKFQJ314N2MA*角接触球轴承供应商

八零动力专业销售QJ314N2MA*角接触球轴承,库存SKFQJ314N2MA*大量现货,与SKF合作,咨询热线:022-58519723业务咨询
SKFQJ314N2MA*它的耐高温性能,让它在极端环境下依然稳定运行 它的沟槽设计,完美匹配滚动体的运动轨迹 它的旋转精度,让高速运转成为现实 卓越的性能表现,让这款轴承在市场上脱颖而出性能卓越的它,为机械设备的稳定运行提供了可靠保障出色的性能表现,让这款轴承成为行业内的明星产品,,八零动力SKF角接触球轴承品种全,价格优,质量有保证!

用户关注最多的SKF轴承型号

SKF22340CCKJA/W33VA405* SKF23938CCK/W33 SKF316691 SKF32044T165X/DB42C220 SKF32236J2 SKF6306/VA201 SKF71908DB/P7 SKFCR17100 SKFCR32424 SKFCR525091 SKFCR70X85X8HMSA10RG SKFCR85X105X12HMSA10V SKFFY1/2TF/AH SKFIR20x25x38.5 SKFNUKRE52A

QJ314N2MA*角接触球轴承近似的SKF轴承型号

SKF7314BEGAP* SKF7314B/DF SKF7314BECBM SKF7314BECBM* SKF7314BECAP* SKF2x7314BEGAY SKF7314BEGAF SKFQJ314MA* SKF7314BEP SKF2x7314BEGAP* SKFQJ314MA* SKFQJ314N2PHAS*

用户关注最多的轴承狗热门型号

SKF  CR403750 SKF  22311CC/W33 SKF  W61902-2RS1 NTN  23156BK+AH3156 NTN  4T-30203 国产  23022K LYC  132.50.4000.03K SKF  209-2ZNR SKF  7209AC/DB TIMKEN  495/493DC SKF  71816CD/HCP4A IKO  BAMW3228 IKO  LRT404540 Stieber  AE70 IKO  LSAGFL15

版权所有©2009-2015 轴承狗zcgou.com ICP备案:津ICP备14004550号-13