SKFQJ314MA*轴承详细参数

发布时间:2026-05-30
角接触球轴承, 四点接触球轴承
主要数据尺寸 基本负荷额定值 疲劳负荷限值 额定速度 体积 型号
动态 静态 参照速度 限制速度
d D B C C0 Pu * - SKF Explorer 轴承
mm kN kN r/min kg -
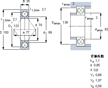
70150352001807,35560080003,15QJ 314 MA *

SKFQJ314MA*角接触球轴承供应商

八零动力专业销售QJ314MA*角接触球轴承,库存SKFQJ314MA*大量现货,与SKF合作,咨询热线:022-58519723业务咨询
SKFQJ314MA*它的可回收性,减少了废弃物处理成本 是您值得信赖的工业伙伴,为您的机械保驾护航稳定持久这轴承的稳定性极佳,在高速运转时也能保持良好状态它的质量可靠,是众多机械设备制造商的首选配件机械的心脏,八零动力SKF角接触球轴承品种全,价格优,质量有保证!

用户关注最多的SKF轴承型号

SKF22311E/VA405 SKF22356CACK/W33 SKF23222CCK/W33+H2322 SKF7204B SKFBT2B332501A/HA4 SKFCR130X160X12HMS5RG SKFCR15460 SKFCR1700245 SKFCR20X35X8HMSA10V SKFCR47X70X10HMS5V SKFCR49985 SKFN1015KPHA/HC5SP SKFNA4826 SKFSAL17C SKFUCFU211

QJ314MA*角接触球轴承近似的SKF轴承型号

SKF7314B/DT SKF7314BEP SKF7314B/DF SKF7314BECBY SKF5314A* SKF2x7314BECAP* SKF7314B/DB SKF7314BECBY SKF7314BECBJ SKF2x7314BECBY SKFQJ314N2MA SKFQJ314N2MA*

用户关注最多的轴承狗热门型号

LYC  NUP 10/560 M/P5 STEYR  627-2Z 国产  7022CTA SKF  CR25X35X7HMSA10RG LYC  011.45.1800.05 FAG  B7028-C-2RSD-T-P4S NTN  22318CCK/W33+H2318 TIMKEN  5209WD LYC  NNF 5040-2LSNV/W33 TORRINGTON&FAFNIR  6005-Z SKF  P72R-1.1/8RM TIMKEN  K50X58X20H NTN  61815-Z 国产  NJ322M SKF  BT1B332973

版权所有©2009-2015 轴承狗zcgou.com ICP备案:津ICP备14004550号-13