SKF7314BEP轴承详细参数

发布时间:2026-05-30
角接触球轴承, 单列
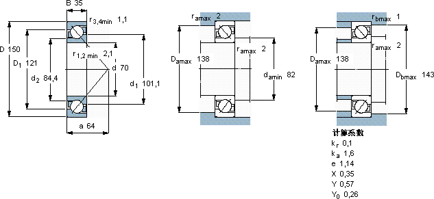
主要数据尺寸 尺寸 [英寸] 疲劳负荷限值 额定速度 体积 型号
动态 静态 参照速度 限制速度
d D B C C0 Pu
mm kN kN r/min kg -
7015035119903,65530053002,557314 BEP

SKF7314BEP角接触球轴承供应商

八零动力专业销售7314BEP角接触球轴承,库存SKF7314BEP大量现货,与SKF合作,咨询热线:022-58519723业务咨询
SKF7314BEP这轴承的稳定性极佳,在高速运转时也能保持良好状态设计独特、性能优越的轴承,满足了不同用户的需求精湛的制造工艺赋予了这款轴承卓越的性能和品质 卓越的设计和可靠的性能,是这款轴承的两大亮点它在船舶工业中的应用,展现了它的耐腐蚀性 这款轴承的精度极高,能够满足对精度要求苛刻的设备,八零动力SKF角接触球轴承品种全,价格优,质量有保证!

用户关注最多的SKF轴承型号

SKF32014X/Q SKF7240B/DT SKFBTM60A/P4CDBB SKFCR13758 SKFCR17100 SKFCR20x35x7CRW1R SKFFYJ45TF SKFGEC600TXA-2RS SKFHA3138Lx7 SKFLL566848/810/HAI SKFNCF3028CV SKFNJ322ECJ* SKFNNCL4940CV SKFSC71924DB/P7 SKFSY2.1/2TF

7314BEP角接触球轴承近似的SKF轴承型号

SKF2x7314BECBM* SKF7314BECBPH* SKF7314BECBP* SKF7314BECBP SKF7314B/DB SKF7314BECBM SKF7314BECBY SKF2x7314BECBPH* SKF7314B SKF2x7314BECBP* SKF7314BEGBY SKF7315B

用户关注最多的轴承狗热门型号

LYC  6311 E SKF  81272M SKF  K10x16x12TN 国产  N2310M NTN  21311CCK STEYR  32214 SKF  NJ2328ECMA INA  GRA200-NPP-B-AS2/V SKF  CR9894 FAG  SNV190-L + 2318-K-M-C3 + H2318X304 + TCV518X304 TIMKEN  320RJ30 NSK  CM-UCP215-215D1 SKF  C4909K30V* SKF  CR17675 IKO  BR364828UU

版权所有©2009-2015 轴承狗zcgou.com ICP备案:津ICP备14004550号-13