SKF7314BECBP*轴承详细参数

发布时间:2026-04-15
角接触球轴承, 单列
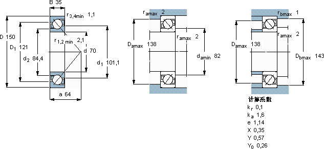
主要数据尺寸 尺寸 [英寸] 疲劳负荷限值 额定速度 体积 型号
动态 静态 参照速度 限制速度
d D B C C0 Pu * - SKF Explorer 轴承
mm kN kN r/min kg -
7015035127983,9560056002,557314 BECBP *

SKF7314BECBP*角接触球轴承供应商

八零动力专业销售7314BECBP*角接触球轴承,库存SKF7314BECBP*大量现货,与SKF合作,咨询热线:022-58519723业务咨询
SKF7314BECBP*减少摩擦降低能耗设计合理、性能优良的轴承,是机械设备的理想之选精准承载这轴承的制造工艺精湛,展现出了极高的工业水准这轴承的稳定性极佳,即使在恶劣环境下也能正常工作我们的轴承卓越的性能,八零动力SKF角接触球轴承品种全,价格优,质量有保证!

用户关注最多的SKF轴承型号

SKF21309CCK SKF21318EK+AHX318* SKF331181 SKF510/750F SKF7007AC/DF SKFBTM100B/HCP4CDBA SKFBTM110B/HCP4CDBB SKFC2228* SKFCR10074 SKFCR13971 SKFCR44960 SKFMS3052-48 SKFNNC4940CV SKFPCM100105115E SKFSYE3.1/2N

7314BECBP*角接触球轴承近似的SKF轴承型号

SKF7314BECBM SKF7314B/DF SKF7314B/DT SKF7314BECBY SKF7314BECBM* SKF7314BEGAM* SKF2x7314BECAP* SKF2x7314BECBJ SKF7314BECAP* SKF2x7314BEGAF SKF7314BECBM* SKF7314BECBPH*

用户关注最多的轴承狗热门型号

FAG  VRE305-E SKF  CR30X52X8HMSA10RG NACHI  6200N KOYO  2308K+H2308 SKF  NNF5028ADA-2LSV FAG  SNV340-L + 22332-K-MB + H2332X508 + TSV532 SKF  6218-RS NSK  23952CAMKE4 SKF  CR79960 INA  KTX24-PP NSK  NU2236EM GMN  7030AC SKF  305338DA SKF  54308 RIV  NU214

版权所有©2009-2015 轴承狗zcgou.com ICP备案:津ICP备14004550号-13