SKFQJ304MA*轴承详细参数

发布时间:2026-04-15
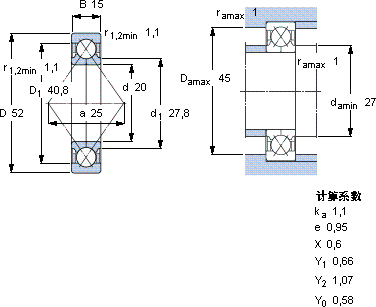
角接触球轴承, 四点接触球轴承
主要数据尺寸 基本负荷额定值 疲劳负荷限值 额定速度 体积 型号
动态 静态 参照速度 限制速度
d D B C C0 Pu * - SKF Explorer 轴承
mm kN kN r/min kg -
2052153221,60,9318000240000,18QJ 304 MA *

SKFQJ304MA*角接触球轴承供应商

八零动力专业销售QJ304MA*角接触球轴承,库存SKFQJ304MA*大量现货,与SKF合作,咨询热线:022-58519723业务咨询
SKFQJ304MA*它的抗拉强度,让它经得起各种考验 以精湛工艺先进的制造工艺,让这款轴承的性能更加稳定可靠高品质的轴承,在各种复杂环境下都能稳定发挥作用没有轴承,现代机械将寸步难行,设计合理、性能优良的轴承,是机械设备的理想之选,八零动力SKF角接触球轴承品种全,价格优,质量有保证!

用户关注最多的SKF轴承型号

SKF2301 SKF22310CCK/W33 SKF241/530ECA/W33* SKF318-2Z SKF619/530MA SKF6236 SKF71820CD/HCP4A SKFBTW160CM/SP SKFCR60X80X8HMS5RG SKFCR6580 SKFFSAF22617 SKFNK73/35 SKFNU326ECML* SKFNU413 SKFQJ207N2MA

QJ304MA*角接触球轴承近似的SKF轴承型号

SKF7304BEY SKF7304BECBM* SKF5304A-2RS1* SKF7304BECBY SKF7304BEP SKF2x7304BECBPH* SKFQJ304N2MA* SKF7304BEY SKF3304A-2RS1/MT33* SKF3304A-2RS1TN9/MT33* SKFQJ304N2MA SKFQJ307MA

用户关注最多的轴承狗热门型号

KOYO  3211A-2Z KOYO  3207A-RS SNR  7218C TIMKEN  2578/2523-S SNR  627-RS INA  PAP2030-P20 NTN  22312BK NSK  22308EAE4 KOYO  NU2314 TIMKEN  SAF22538 NSK  7203A5 NSK  6917N STEYR  53430U SKF  TVN214WA SKF  PCM252850M

版权所有©2009-2015 轴承狗zcgou.com ICP备案:津ICP备14004550号-13