SKFCR404603轴承详细参数

发布时间:2026-04-15
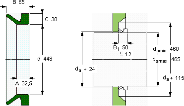
V形环密封件, VR4 设计
V形环密封件
da d A B C
最小 最大
mm mm - - - -
46046544832,56530VR4RCR 404603404603

SKFCR404603V型圈密封供应商

八零动力专业销售CR404603V型圈密封,库存SKFCR404603大量现货,与SKF合作,咨询热线:022-58519723业务咨询
SKFCR404603它的耐腐蚀性,让它经久不衰 它在机器人领域的应用,展现了它的高精密性 轴承的稳定性和可靠性表现出色,赢得了用户的高度认可这轴承的设计巧妙,充分考虑了设备的运行需求和维护便利性它在食品机械中的应用,展现了它的卫生性能 它的耐腐蚀性,减少了维护成本 ,八零动力SKFV型圈密封品种全,价格优,质量有保证!

用户关注最多的SKF轴承型号

SKF22317EK+AHX2317* SKF313154C SKF332244 SKF464787 SKF6304-RS SKF7200BECBP SKFC4032K30V* SKFCR28X42X7HMS5V SKFCR40077 SKFFY1.15/16TF SKFH3128 SKFNJ2309ECP* SKFK14x18x17 SKFOKCX410 SKFPCMF182022E

CR404603V型圈密封近似的SKF轴承型号

SKFCR404603 SKFCR404553 SKFCR404703

用户关注最多的轴承狗热门型号

LYC  NJ 309 L RHP  7211C/DB FAG  HCB71916-C-2RSD-T-P4S FAG  240/530-B-MB RHP  6311-2Z NACHI  231/560EW33K SKF  6408NR NACHI  C21179 INA  KGNC25-C-PP-AS SKF  CR65x85x8CRW1R SKF  BS2-2218-2CSK/VT143* ZKL  NU210 FAG  Z-574099.ZL-K-C5 NSK  NA4940 IKO  CRWUG40-35

版权所有©2009-2015 轴承狗zcgou.com ICP备案:津ICP备14004550号-13