SKF7216BECBY轴承详细参数

发布时间:2026-04-14
角接触球轴承, 单列
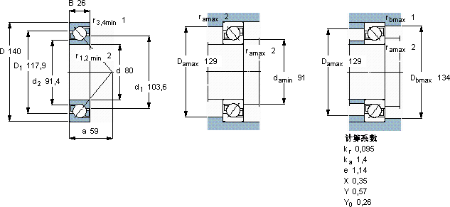
主要数据尺寸 尺寸 [英寸] 疲劳负荷限值 额定速度 体积 型号
动态 静态 参照速度 限制速度
d D B C C0 Pu
mm kN kN r/min kg -
801402683,273,53530053001,587216 BECBY

SKF7216BECBY角接触球轴承供应商

八零动力专业销售7216BECBY角接触球轴承,库存SKF7216BECBY大量现货,与SKF合作,咨询热线:022-58519723业务咨询
SKF7216BECBY这款轴承的稳定性极佳,在长时间运行中也能保持良好状态这轴承的设计简直精妙绝伦,每一处细节都彰显着极致的工艺美学您值得拥有它在家用电器中的应用,让生活更加便捷 它在机床设备中的应用,确保了加工精度 这轴承的质量过硬,经得起时间和高强度工作的考验,八零动力SKF角接触球轴承品种全,价格优,质量有保证!

用户关注最多的SKF轴承型号

SKF22217CCK/W33 SKF23224CC/W33 SKF248/800CAMA/W20 SKF32212J2/Q SKF7015CD/HCP4A SKF718/1000AMB SKFC3140K/HA3C4* SKFCR1900254 SKFCR19278 SKFCR260X300X20HDS2D SKFCR370x420x25HDS1R1 SKFGEM45ES-2RS SKFNJ234E+HJ234E SKFPCM556060E SKFPFD1.9/16TF

7216BECBY角接触球轴承近似的SKF轴承型号

SKF2x7216BECBM* SKF7216BECBM SKF7216BECBP SKF2x7216BEGAF SKF7216BECBJ SKF7216B/DF SKF7216BEP SKF7216C/DB SKF7216B/DB SKF7216C/DF SKF7216BECBP* SKF7216BEGAF

用户关注最多的轴承狗热门型号

KOYO  21313RHK+AH313 LYC  6012 E SKF  71900CD/HCP4A SNR  6309 MRC  7210AC SKF  FYR2.7/16H NTN  6007-RS TIMKEN  49580/49521 国产  7412ACM INA  GWN20 SKF  7236BCBM SKF  7020C SKF  BT4B332642/HA1 SKF  BS2-2214-2CS/VT143* IKO  CFES10UUR

版权所有©2009-2015 轴承狗zcgou.com ICP备案:津ICP备14004550号-13