SKFQJ215N2MA*轴承详细参数

发布时间:2026-05-30
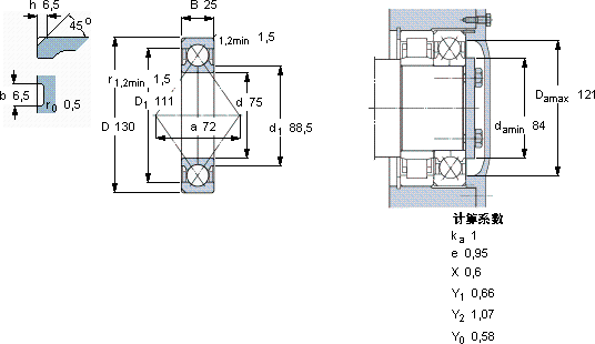
角接触球轴承, 四点接触球轴承
主要数据尺寸 基本负荷额定值 疲劳负荷限值 额定速度 体积 型号
动态 静态 参照速度 限制速度
d D B C C0 Pu * - SKF Explorer 轴承
mm kN kN r/min kg -
75130251251325,6630085001,45QJ 215 N2MA *

SKFQJ215N2MA*角接触球轴承供应商

八零动力专业销售QJ215N2MA*角接触球轴承,库存SKFQJ215N2MA*大量现货,与SKF合作,咨询热线:022-58519723业务咨询
SKFQJ215N2MA*它在家用电器中的应用,让生活更加便捷 卓越的性能和可靠的质量,让这款轴承成为市场的宠儿稳定旋转的核心力量轴承的选材精良,确保了其具有良好的耐磨性和抗腐蚀性它的润滑技术,减少了摩擦和磨损 它的每一次转动,都是对效率的极致追求 ,八零动力SKF角接触球轴承品种全,价格优,质量有保证!

用户关注最多的SKF轴承型号

SKF1206ETN9 SKF1313K+H313 SKF239/1180CAKF/W33 SKF3313DNRCBM SKF51168 SKFBT2B334004 SKFBT4B332933/HA1 SKFCR12X25X7HMS5V SKFCR524216 SKFCR800x850x25.4HS8R SKFCR87144 SKFGEZ304TXE-2LS SKFQJ316N2MA SKFTU1.3/8WF SKFZ213

QJ215N2MA*角接触球轴承近似的SKF轴承型号

SKF7215BECBY SKF7215C/DB SKF2x7215BEGAY SKF7215C/DF SKFQJ215N2MA SKFQJ215N2PHAS* SKF5215A-2RS1 SKF7215AC/DB SKF3215A-2Z/MT33 SKF5215E SKFQJ215MA* SKFQJ215N2PHAS*

用户关注最多的轴承狗热门型号

LYC  NJ 314 M/C3S0 LYC  23028 CK/W33 STEYR  635-2Z FAG  ZRB68X68-QP FAG  BND3076-H-C-Y-AF-S FAG  BND3156-H-C-T-AF-S MRC  NJ320 TIMKEN  30304/30304 SKF  BT4B330886CG/HA1 DKF  7208B/DB TIMKEN  T151X TORRINGTON  22220CCK/W33 INA  GE140-FO-2RS INA  K210X220X42 TIMKEN  67886/67835

版权所有©2009-2015 轴承狗zcgou.com ICP备案:津ICP备14004550号-13