SKF7215BECBM轴承详细参数

发布时间:2026-04-15
角接触球轴承, 单列
主要数据尺寸 尺寸 [英寸] 疲劳负荷限值 额定速度 体积 型号
动态 静态 参照速度 限制速度
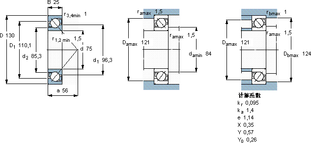
d D B C C0 Pu
mm kN kN r/min kg -
751302573,565,52,7630063001,297215 BECBM

SKF7215BECBM角接触球轴承供应商

八零动力专业销售7215BECBM角接触球轴承,库存SKF7215BECBM大量现货,与SKF合作,咨询热线:022-58519723业务咨询
SKF7215BECBM持久转动性能优越的轴承,极大地提升了设备的工作性能和效率它的静音设计,让机械运转如丝般顺滑 精湛的制造工艺赋予了这款轴承卓越的性能和品质 稳定旋转的核心力量开启顺畅运行新时代,,八零动力SKF角接触球轴承品种全,价格优,质量有保证!

用户关注最多的SKF轴承型号

SKF23272CAK/W33+AOH3272G* SKF24024CCK30/W33 SKF7018ACD/HCP4A SKF7312BEGBP* SKFC3176KMB+AOH3176G* SKFCR30X45X8CRS1V SKFFYR2.7/16-3 SKFLL575349/310 SKFNUP2205E SKFNUP228ECM SKFOKF390 SKFPCZ0912M SKFSYE2.15/16H-3 SKFUCP205 SKFW6201

7215BECBM角接触球轴承近似的SKF轴承型号

SKF7215BEP SKF2x7215BECBY SKF7215B/DB SKF7215AC/DF SKF2x7215BECBM SKF7215C/DT SKF7215C SKF7215BEGAY SKF2x7215BECBP SKF7215BECBJ SKF7215BECBJ SKF7215BECBP

用户关注最多的轴承狗热门型号

NTN  HK3520 LYC  FCD 114150530 INA  PAP3020-P11 NACHI  NUP332E NACHI  SN313FC NSK  7010ADF SKF  22232CCK/W33+H3132* SKF  CR40X72X10HMSA10RG TIMKEN  K12X15X13H TIMKEN  13SBT22 FAG  SNV100-L + 20309-TVP + FSV309 BARDEN  7236AC/DT INA  KUSE35 SKF  CR90952 SKF  NUP217ECP

版权所有©2009-2015 轴承狗zcgou.com ICP备案:津ICP备14004550号-13