SKFQJ215MA*轴承详细参数

发布时间:2026-05-30
角接触球轴承, 四点接触球轴承
主要数据尺寸 基本负荷额定值 疲劳负荷限值 额定速度 体积 型号
动态 静态 参照速度 限制速度
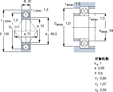
d D B C C0 Pu * - SKF Explorer 轴承
mm kN kN r/min kg -
75130251251325,6630085001,45QJ 215 MA *

SKFQJ215MA*角接触球轴承供应商

八零动力专业销售QJ215MA*角接触球轴承,库存SKFQJ215MA*大量现货,与SKF合作,咨询热线:022-58519723业务咨询
SKFQJ215MA*这轴承的设计简直精妙绝伦,每一处细节都彰显着极致的工艺美学这款轴承的运转十分平稳,几乎感受不到任何震动这轴承的设计巧妙,充分考虑了设备的运行需求和维护便利性优秀的设计理念和精湛的制造工艺,成就了这款杰出的轴承制造工艺先进,使得这款轴承的性能远超普通产品制造工艺精湛,使得这款轴承的精度和稳定性都非常出色,八零动力SKF角接触球轴承品种全,价格优,质量有保证!

用户关注最多的SKF轴承型号

SKF1312EKTN9+H312 SKF71916ACE/HCP4A SKF7211BECBY SKF7318BEM SKFCR14935 SKFCR30X72X10HMSA10RG SKFCR62X80X10HMS5V SKFN024 SKFNJ202E SKFNN3076K/W33 SKFPCZ1414M SKFS7014ACD/P4A SKFSALA50ES-2RS SKFSAW23524x4.1/8 SKFT7FC045/HN3QCL7C

QJ215MA*角接触球轴承近似的SKF轴承型号

SKFQJ215MA SKF2x7215BECBY SKF7215BECBM SKF7215C/DF SKF2x7215BECBM SKFQJ215N2MA SKF7215BECBY SKF7215BECBP SKF7215C/DB SKF7215BEP SKFQJ215N2MA SKFQJ215N2MA*

用户关注最多的轴承狗热门型号

NACHI  NJ315E INA  RTUE50 NTN  NN3064 TIMKEN  EE126098/126151CD+X1S-126098 NSK  7012ATYNDBLP4 NSK  29317 KOYO  46336A STEYR  7305B/DB INA  HK0810-2RS SNR  6015N 国产  6304-2RS/Z2 NACHI  52422 IKO  CRB60070 IKO  LRBZ243020B IKO  BRI61816U

版权所有©2009-2015 轴承狗zcgou.com ICP备案:津ICP备14004550号-13