SKF7215BECBY轴承详细参数

发布时间:2026-04-15
角接触球轴承, 单列
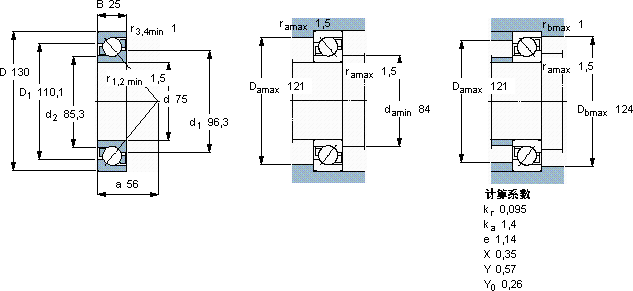
主要数据尺寸 尺寸 [英寸] 疲劳负荷限值 额定速度 体积 型号
动态 静态 参照速度 限制速度
d D B C C0 Pu
mm kN kN r/min kg -
751302572,8642,65560056001,267215 BECBY

SKF7215BECBY角接触球轴承供应商

八零动力专业销售7215BECBY角接触球轴承,库存SKF7215BECBY大量现货,与SKF合作,咨询热线:022-58519723业务咨询
SKF7215BECBY它的表面硬化处理,延长了它的使用寿命 设计独特、性能优越的轴承,满足了不同用户的需求它的每一次转动,都是对精准度的极致追求 轴承的选材精良,确保了其具有良好的耐磨性和抗腐蚀性它在船舶工业中的应用,展现了它的耐腐蚀性 这款轴承的性能卓越,有效提高了设备的运行可靠性,八零动力SKF角接触球轴承品种全,价格优,质量有保证!

用户关注最多的SKF轴承型号

SKF1226 SKF1311EKTN9 SKF1985/1922/Q SKF23180CAK/W33+OH3180H* SKF23234CCK/W33 SKF61803-RS SKFAH2340/180 SKFAOH3272G SKFCR37332 SKFCR50X85X10HMSA10RG SKFHK2212 SKFHM903249/2/210/2/Q SKFNNCF5014CV SKFNU2216ECP SKFPCM140145100B

7215BECBY角接触球轴承近似的SKF轴承型号

SKF7215BEP SKF7215B/DB SKF7215C/DB SKF7215B/DF SKF7215C/DF SKF7215AC/DB SKF7215BECBJ SKF7215B/DT SKF2x7215BECBM SKF2x7215BECBY SKF7215BECBP SKF7215BEGAY

用户关注最多的轴承狗热门型号

LYC  NJ 219 LYC  32208/P6 BARDEN  7009AC FAG  B7203-C-T-P4S INA  RASE35-FA164 SKF  608-2RSH KOYO  33109 NTN  7340AC/DT SKF  7210B KOYO  6213-2RZ LYC  N 320/P5 MRC  NF214 MRC  7307AC KOYO  24044CC/W33 FAG  2208-K-2RS-TVH-C3

版权所有©2009-2015 轴承狗zcgou.com ICP备案:津ICP备14004550号-13