SKF2211EKTN9+H311轴承详细参数

发布时间:2026-05-30
自调心球轴承, 带紧定套, 无密封件
主要数据尺寸 基本负荷额定值 疲劳负荷限值 额定速度 体积 型号
动态 静态 参照速度 限制速度 轴承 + 紧定套
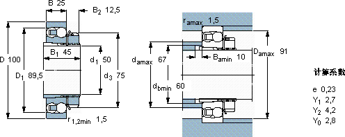
d1 D B C C0 Pu
mm kN kN r/min kg -
50100253913,40,71200085001,152211 EKTN9 + H 311

SKF2211EKTN9+H311自调心球轴承供应商

八零动力专业销售2211EKTN9+H311自调心球轴承,库存SKF2211EKTN9+H311大量现货,与SKF合作,咨询热线:022-58519723业务咨询
SKF2211EKTN9+H311它在包装机械中的应用,确保了设备的高效率 轴承的耐用性极佳,为设备的长期稳定运行提供了保障它的精密装配,确保了整体性能的卓越 它的质量可靠,是众多机械设备制造商的首选配件每一次旋转,都是品质的见证,它的耐高温性能,减少了冷却系统的能耗 ,八零动力SKF自调心球轴承品种全,价格优,质量有保证!

用户关注最多的SKF轴承型号

SKF2205 SKF23160-2CS5/VT143* SKF305611A SKF32004X/Q SKF6013-2RS1/W64* SKFCR30X47X7HMSA10RG SKFCR409000 SKFCR7X16X7HMS5RG SKFNNU4940BK/SPW33 SKFNUP252MA SKFPDNB215 SKFPWM859560 SKFRSTO15 SKFSNL3064TURT SKFUCP218

2211EKTN9+H311自调心球轴承近似的SKF轴承型号

SKF2211E-2RS1KTN9 SKF2211E-2RS1TN9 SKF2211EKTN9+H311 SKF2211E-2RS1KTN9+H311C SKF2211ETN9 SKF2211EKTN9 SKF2211EKTN9 SKF2211ETN9

用户关注最多的轴承狗热门型号

NACHI  7228DT SKF  SAF22538x6.13/16 TIMKEN  71412/71750 FAG  BND2232-H-C-Y-AF-S STEYR  6319-Z LYC  1304 FAG  H208X104 STEYR  3203 KOYO  NJ2319 RIV  NU321 SKF  FYC65TF 国产  NA284220 NTN  NUP2232E NSK  NN3040MB IKO  CRH32VR

版权所有©2009-2015 轴承狗zcgou.com ICP备案:津ICP备14004550号-13