SKFNUP2320ECJ*轴承详细参数

发布时间:2026-04-14
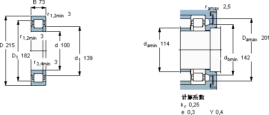
圆柱滚子轴承, 单列, NUP 设计
主要数据尺寸 基本负荷额定值 疲劳负荷限值 额定速度 体积 型号 适宜的斜挡圈
动态 静态 参照速度 限制速度 型号
d D B C C0 Pu * - SKF Explorer 轴承
mm kN kN r/min kg - -
10021573670735853200380012,5NUP 2320 ECJ *-

SKFNUP2320ECJ*圆柱滚子轴承供应商

八零动力专业销售NUP2320ECJ*圆柱滚子轴承,库存SKFNUP2320ECJ*大量现货,与SKF合作,咨询热线:022-58519723业务咨询
SKFNUP2320ECJ*卓越的设计理念,赋予了这款轴承超凡的性能制造工艺精湛,使得这款轴承在运转时更加顺畅平稳精湛的制造工艺赋予了这款轴承出色的性能和可靠性这轴承的精度控制令人佩服,为设备的精准运行提供了保障它的低摩擦设计,减少了能量损耗 品质卓越的它,为机械设备的稳定、高效运行提供了支持,八零动力SKF圆柱滚子轴承品种全,价格优,质量有保证!

用户关注最多的SKF轴承型号

SKF241/710ECAK30/W33 SKF62/22 SKF71918ACD/HCP4A SKF7203ACD/HCP4A SKF7234B/DF SKFBEAS008032-2Z SKFBT4B328921G/HA1VA901 SKFC3172KM+AOH3172G* SKFCR35X55X8CRW1R SKFCR42X56X7HMS5V SKFCR8213 SKFNK28/20 SKFN316ECP* SKFNN3034K/SPW33 SKFPF3/4RM

NUP2320ECJ*圆柱滚子轴承近似的SKF轴承型号

SKFNUP2320E SKFNJG2320VH SKFNJG2320VH SKFNU2320ECP* SKFNJ2320ECM* SKFNJ2320E+HJ2320E SKFNJ2320ECJ* SKFNJ2320ECML* SKFN2320 SKFLSL192320 SKFNUP2320ECP SKFNUP2320ECML*

用户关注最多的轴承狗热门型号

SKF  2x7222BECBP* SKF  6217N SKF  7084AM NTN  7320AC/DF NACHI  5205AN KOYO  52226 NACHI  6205-2NKE INA  DRS45130 NACHI  75KBE22 NTN  UKP212+H2312 BARDEN  7234C/DB MRC  7320AC/DF SKF  7007ACE/P4A LYC  3810/750 X3 TIMKEN  42362/42587D

版权所有©2009-2015 轴承狗zcgou.com ICP备案:津ICP备14004550号-13