SKFKMTA14轴承详细参数

发布时间:2026-04-14
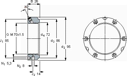
带锁紧销的KMTA精密锁紧定螺母
螺纹尺寸 尺寸 轴向负荷 体积 型号 平头螺钉
承载能力 锁定螺母 适宜的板手 尺寸 推荐的紧固扭矩
d3 B G 静态
- mm - kN kg --- Nm
708626M 70x1.54900,62KMTA 14B 95-100M 818

SKFKMTA14轴承附件供应商

八零动力专业销售KMTA14轴承附件,库存SKFKMTA14大量现货,与SKF合作,咨询热线:022-58519723业务咨询
SKFKMTA14先进的生产工艺,打造出了这款性能卓越的轴承轴承的稳定性和可靠性表现卓越,赢得了广泛赞誉卓越的设计和可靠的性能,是这款轴承的两大亮点顺滑无声它的精密制造工艺,让人叹为观止 制造工艺精湛,使得这款轴承在运转时更加顺畅平稳,八零动力SKF轴承附件品种全,价格优,质量有保证!

用户关注最多的SKF轴承型号

SKF32064 SKF51234 SKFBC2-8014 SKFC2208KV+H308* SKFCR28X40X8HMSA10RG SKFCR42x58x8CRW1V SKFCR55x70x8CRW1R SKFCR90809 SKFH310E SKFK20x26x13 SKFNJ321E SKFPFD15/16FM SKFPWM303630 SKFRNA4903RS SKFSYE1.11/16N

KMTA14轴承附件近似的SKF轴承型号

SKFAHX2314/60G SKFHMVC14E SKFSNW3140x7.3/16 SKFAOH3148 SKFHMVC142E SKFHMV142E SKFMB14 SKFAOH24148 SKFAHX2314G SKFH3140 SKFKMTA13 SKFKMTA15

用户关注最多的轴承狗热门型号

LYC  013.35.3070.03 K1/P6 SKF  M150x2 SNR  6206-RS 国产  6006 STEYR  7321B LYC  23140 K SKF  NU218E SKF  NU2220ECM* SKF  3214 NSK  NNU4921 LYC  22320/P5 SKF  NF18/500ECM STEYR  6214-ZN LYC  HM 133444/02 TIMKEN  SDAF22220

版权所有©2009-2015 轴承狗zcgou.com ICP备案:津ICP备14004550号-13