SKF7409BGM轴承详细参数

发布时间:2026-04-14
角接触球轴承, 单列
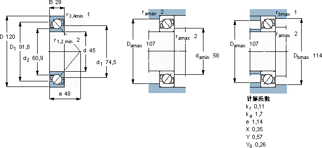
主要数据尺寸 尺寸 [英寸] 疲劳负荷限值 额定速度 体积 型号
动态 静态 参照速度 限制速度
d D B C C0 Pu
mm kN kN r/min kg -
451202985,2552,36700075001,87409 BGM

SKF7409BGM角接触球轴承供应商

八零动力专业销售7409BGM角接触球轴承,库存SKF7409BGM大量现货,与SKF合作,咨询热线:022-58519723业务咨询
SKF7409BGM它的抗冲击能力,让它经久不衰 承载重载历经岁月它的轻量化设计,减少了材料的使用 该轴承的性能卓越,完全满足了各种严苛工况的需求它在航空航天领域的应用,展现了它的高可靠性 该轴承的性能出色,有效提升了机械设备的整体性能,八零动力SKF角接触球轴承品种全,价格优,质量有保证!

用户关注最多的SKF轴承型号

SKF7016ACE/P4A SKFBVNB328407/HA1 SKFCR18X32X7HMS5RG SKFCR32X62X10HMS5RG SKFCR35X58X10HMS5RG SKFCR36x54x8CRW1V SKFNK28/30 SKFNNC4956CV SKFNNF5006ADA-2LSV SKFNU211ECML* SKFNU2207E SKFNUP2224ECM* SKFPF1.15/16FM SKFSC71919DB/P7 SKFW6304-2Z

7409BGM角接触球轴承近似的SKF轴承型号

SKF7409BCBM SKF7409BGBM SKF2x7409BCBM SKF2x7409BGM SKF2x7409BGBM SKF7409BGM SKF7409BGBM SKF7410BCBM

用户关注最多的轴承狗热门型号

NSK  NN3008K FAG  BND3172-Z-Y-AF-S SKF  61976 LYC  6217 EN RHP  7201B/DT NTN  NK70/25 SKF  CR400354 KOYO  6302N SKF  NU2344ECMP FAG  SNV170-L + 20316-MB + TSV316 TIMKEN  GYAE45RRB MAC  NU1038 SKF  CR14X25X5HMSA10V FAG  HS71902-C-T-P4S IKO  KT151913

版权所有©2009-2015 轴承狗zcgou.com ICP备案:津ICP备14004550号-13