SKFKMTA13轴承详细参数

发布时间:2026-04-14
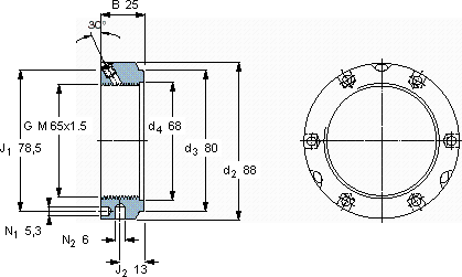
带锁紧销的KMTA精密锁紧定螺母
螺纹尺寸 尺寸 轴向负荷 体积 型号 平头螺钉
承载能力 锁定螺母 适宜的板手 尺寸 推荐的紧固扭矩
d3 B G 静态
- mm - kN kg --- Nm
658025M 65x1.54600,52KMTA 13B 80-90M 818

SKFKMTA13轴承附件供应商

八零动力专业销售KMTA13轴承附件,库存SKFKMTA13大量现货,与SKF合作,咨询热线:022-58519723业务咨询
SKFKMTA13它在农业机械中的应用,展现了它的耐用性 铸就卓越品质,它的多样化应用,展现了它的无限可能 品质卓越的它,在各种工况下都能展现出优异的性能其设计和制造工艺都达到了国际先进水平,是一款优质轴承轴承的精度和稳定性都达到了行业顶尖水平,八零动力SKF轴承附件品种全,价格优,质量有保证!

用户关注最多的SKF轴承型号

SKF230/750CA/W33* SKF23144CCK/W33+OH3144H* SKF618/1600MB SKF81192M SKFAHX3130G SKFCR11138 SKFCR400204 SKFCR524229 SKFFSYE2.11/16H-3 SKFNNCF5064CV SKFNNU4924B/SPW33 SKFNU308ECP SKFNU410 SKFNUP206ECP* SKFQJ307MA

KMTA13轴承附件近似的SKF轴承型号

SKFAH24132 SKFAHX2330/135G SKFAH24130 SKFSNW3136x6.7/16 SKFSNW113x2.1/4 SKFSNW113x2.1/8 SKFH3136L SKFSNW13x2.1/8 SKFHA2313 SKFHA3134 SKFKMTA12 SKFKMTA14

用户关注最多的轴承狗热门型号

KOYO  323/28CR SKF  NA4908 SNR  51324 TIMKEN  K25X35X23,7H SNR  6008-2RS SKF  51128 SKF  FYT35TF/VA228 LYC  6408 NSK  UCFL214-210D1 LYC  55206/55444 SKF  CR400955 SKF  293/710EM SKF  NJ317E+HJ317E 国产  NU1036M SKF  CR400905

版权所有©2009-2015 轴承狗zcgou.com ICP备案:津ICP备14004550号-13