

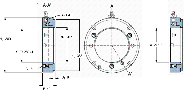
| Hydraulic nuts, metric sizes | ||||||||||||
| 螺纹尺寸 | 尺寸 | Permitted | Piston area | 体积 | 型号 | |||||||
| piston | ||||||||||||
| G | d1 | d2 | d3 | B | B1 | displacement | ||||||
| mm | mm (metric sizes) | mm | mm | mm2 (metric sizes) | kg | - | ||||||
| in - threads/in (inch sizes) | in2 (inch sizes) | |||||||||||
| 280 | Tr 280x4 | 282 | 363 | 380 | 49 | 9 | 12 | 21100 | 22,0 | HMV 56E | HMV 56E/A101 | |
版权所有©2009-2015 轴承狗zcgou.com ICP备案:津ICP备14004550号-13