
SKFFYR3H-3轴承详细参数
发布时间:2026-05-30
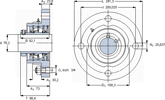
| | | | | | | | | | | |
| 带法兰的滚子轴承单元, 锁定套,用于英制的轴, locating units, radial shaft seals | |
 |
| 尺寸 | 尺寸 [英寸] | 限制速度 | 质量 | 型号 | 轴承,基本型号 |
| | 动态 | 静态 | | |
| da | A1 | J | L | T | C | C0 | |
 |
| mm | kN | r/min | kg | - | - |
 |
| 76,2 | 73 | 200,025 | 241,3 | 98,4 | 158 | 208 | 1600 | 11,8 | FYR 3 H-3 | 22215 |
SKFFYR3H-3法兰滚子轴承单元供应商
- 八零动力专业销售FYR3H-3法兰滚子轴承单元,库存SKFFYR3H-3大量现货,与SKF合作,咨询热线:022-58519723

- SKFFYR3H-3其设计和制造都达到了极高的水准,是一款不可多得的轴承它在纺织机械中的应用,确保了设备的高速运转 它的低摩擦设计,减少了能量损耗 质量无可挑剔的轴承,在行业内树立了良好的口碑和形象这轴承的设计简直精妙绝伦,每一处细节都彰显着极致的工艺美学旋转无忧,八零动力SKF法兰滚子轴承单元品种全,价格优,质量有保证!
用户关注最多的SKF轴承型号
SKF21317E*
SKF6308-RS
SKF7203AC
SKF70/500BM
SKFBT2B334152/HA3
SKFFY40FM
SKFGE260CS-2Z
SKFHK1816.2RS
SKFNCF3005CV
SKFQJ317N2MA
SKFS71914CD/HCP4A
SKFSYE2.11/16N
SKFSYH2.1/4TF/AH
SKFTUM1.7/16TF
SKFYAR209-112-2RF