
SKFFYR2.15/16H-3轴承详细参数
发布时间:2026-05-30
| | | | | | | | | | | |
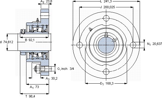
| 带法兰的滚子轴承单元, 锁定套,用于英制的轴, locating units, radial shaft seals | |
 |
| 尺寸 | 尺寸 [英寸] | 限制速度 | 质量 | 型号 | 轴承,基本型号 |
| | 动态 | 静态 | | |
| da | A1 | J | L | T | C | C0 | |
 |
| mm | kN | r/min | kg | - | - |
 |
| 74,612 | 73 | 200,025 | 241,3 | 98,4 | 158 | 208 | 1600 | 11,8 | FYR 2.15/16 H-3 | 22215 |
SKFFYR2.15/16H-3法兰滚子轴承单元供应商
- 八零动力专业销售FYR2.15/16H-3法兰滚子轴承单元,库存SKFFYR2.15/16H-3大量现货,与SKF合作,咨询热线:022-58519723

- SKFFYR2.15/16H-3卓越的性能表现,使这款轴承在市场上拥有良好的口碑匠心制造轴承的选材精良,确保了其具有良好的耐磨性和抗腐蚀性它的高可靠性,减少了设备停机时间 我们的轴承卓越的性能优秀的设计理念和精湛的制造工艺,成就了这款杰出的轴承,八零动力SKF法兰滚子轴承单元品种全,价格优,质量有保证!
用户关注最多的SKF轴承型号
SKF23144CC/W33*
SKF315802/VJ202
SKF61817-2RS1
SKF71813CD/HCP4A
SKFCR17544
SKFCR25X62X7HMS5RG
SKFCR6X16X7HMSA10V
SKFCR8772
SKFNJ204E
SKFNU311E
SKFPCM100105115E
SKFS71921ACD/P4A
SKFSAF23028KAx4.7/8
SKFSY1.5/16TF
SKFTUJ40TF