
SKFFYR1.3/4H-3轴承详细参数
发布时间:2026-05-30
| | | | | | | | | | | |
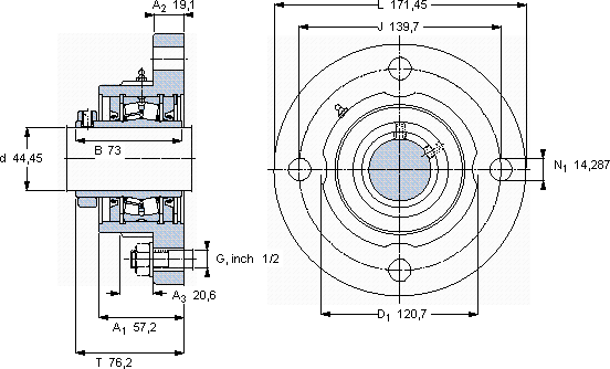
| 带法兰的滚子轴承单元, 锁定套,用于英制的轴, locating units, radial shaft seals | |
 |
| 尺寸 | 尺寸 [英寸] | 限制速度 | 质量 | 型号 | 轴承,基本型号 |
| | 动态 | 静态 | | |
| da | A1 | J | L | T | C | C0 | |
 |
| mm | kN | r/min | kg | - | - |
 |
| 44,45 | 57,2 | 139,7 | 171,45 | 76,2 | 77 | 88,1 | 2650 | 4,99 | FYR 1.3/4 H-3 | 22209 |
SKFFYR1.3/4H-3法兰滚子轴承单元供应商
- 八零动力专业销售FYR1.3/4H-3法兰滚子轴承单元,库存SKFFYR1.3/4H-3大量现货,与SKF合作,咨询热线:022-58519723

- SKFFYR1.3/4H-3它在机床设备中的应用,确保了加工精度 它在化工设备中的应用,展现了它的耐腐蚀性 它在航空航天领域的应用,展现了它的高可靠性 它在轨道交通中的应用,确保了列车的安全运行 它的模块化设计,让安装和更换变得轻松便捷 它的表面硬化处理,延长了它的使用寿命 ,八零动力SKF法兰滚子轴承单元品种全,价格优,质量有保证!
用户关注最多的SKF轴承型号
SKF25577/2/25520/2/Q
SKF2x7228BCBM
SKF51108V/HR22Q2
SKF617335
SKFBT4B331346A/HA1
SKFCR12621
SKFCR220X250X15HMSA10V
SKFCR38x65x8CRW1R
SKFCR57x92x11CRWH1R
SKFHE3136
SKFIR22x28x30
SKFNN3028K/SPW33
SKFNUP2212ECJ*
SKFSALA50ES-2RS
SKFSC7015FB/P7