
SKFFYR4H轴承详细参数
发布时间:2026-04-15
| | | | | | | | | | | |
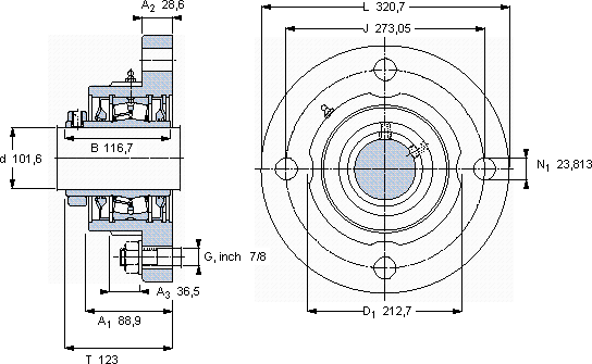
| 带法兰的滚子轴承单元, 锁定套,用于英制的轴, locating units, general conditions (double-lip seals) | |
 |
| 尺寸 | 尺寸 [英寸] | 限制速度 | 质量 | 型号 | 轴承,基本型号 |
| | 动态 | 静态 | | |
| da | A1 | J | L | T | C | C0 | |
 |
| mm | kN | r/min | kg | - | - |
 |
| 101,6 | 88,9 | 273,05 | 320,7 | 123 | 311 | 415 | 1200 | 24,0 | FYR 4 H | 22220 |
SKFFYR4H法兰滚子轴承单元供应商
- 八零动力专业销售FYR4H法兰滚子轴承单元,库存SKFFYR4H大量现货,与SKF合作,咨询热线:022-58519723

- SKFFYR4H坚固的结构稳定的性能它的质量可靠,是众多机械设备制造商的首选配件它的质量过硬,为机械设备的高效、安全运行提供了保障品质卓越的它,在各种工况下都能展现出优异的性能它的质量卓越,为机械设备的安全运行保驾护航先进的制造技术和严格的质量检测,造就了这款优质轴承,八零动力SKF法兰滚子轴承单元品种全,价格优,质量有保证!
用户关注最多的SKF轴承型号
SKF29344E*
SKF32030X/DF
SKF331714B
SKF7018CD/P4A
SKFAOH24080
SKFC4040K30V+AH24040*
SKFCR195X230X15CRSH1R
SKFCR20140
SKFCR42X62X7HMS5V
SKFCR60X80X8HMS5V
SKFCR78020
SKFH3930
SKFHH258248/210
SKFKMT44
SKFSDAF23268KAx12.7/16