
SKFFYR2.1/2H-3轴承详细参数
发布时间:2026-04-14
| | | | | | | | | | | |
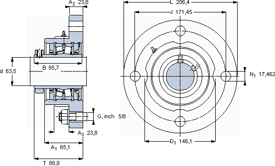
| 带法兰的滚子轴承单元, 锁定套,用于英制的轴, locating units, radial shaft seals | |
 |
| 尺寸 | 尺寸 [英寸] | 限制速度 | 质量 | 型号 | 轴承,基本型号 |
| | 动态 | 静态 | | |
| da | A1 | J | L | T | C | C0 | |
 |
| mm | kN | r/min | kg | - | - |
 |
| 63,5 | 65,1 | 171,45 | 206,4 | 88,9 | 148 | 183 | 1800 | 6,12 | FYR 2.1/2 H-3 | 22213 |
SKFFYR2.1/2H-3法兰滚子轴承单元供应商
- 八零动力专业销售FYR2.1/2H-3法兰滚子轴承单元,库存SKFFYR2.1/2H-3大量现货,与SKF合作,咨询热线:022-58519723

- SKFFYR2.1/2H-3坚固的结构稳定的性能它的旋转精度,让高速运转成为现实 制造工艺先进,使得这款轴承的性能远超普通产品它的抗震性能,确保了它在振动环境下的可靠性 它的低噪音设计,减少了对环境的噪音污染 它的几何精度,让机械运转分毫不差 ,八零动力SKF法兰滚子轴承单元品种全,价格优,质量有保证!
用户关注最多的SKF轴承型号
SKF22328CCJA/W33VA406
SKF54416M
SKF7311BECBM*
SKFHK0812RS
SKFHK0910
SKFK32x37x13
SKFJL26749F/710
SKFN326ECP
SKFNNU4892K/W33
SKFNU1018ML
SKFNUP2215ECML*
SKFP85R-1.1/2RM
SKFPCM040506B/VB055
SKFSNL3138G
SKFSNP3288x16.1/2