SKF2x718/670AGMB轴承详细参数

发布时间:2026-04-14
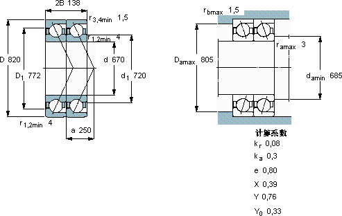
角接触球轴承, 单列,用于配对安装, 前后配对
主要数据尺寸 基本负荷额定值 疲劳负荷限值 额定速度 体积 型号 轴承配对
动态 静态 参照速度 限制速度
d D 2B C C0 Pu
mm kN kN r/min kg --
6708201388522500435607501552 × 718/670 AGMBDT

SKF2x718/670AGMB角接触球轴承供应商

八零动力专业销售2x718/670AGMB角接触球轴承,库存SKF2x718/670AGMB大量现货,与SKF合作,咨询热线:022-58519723业务咨询
SKF2x718/670AGMB它的润滑技术,减少了摩擦和磨损 为您创造更多可能,为您的机械提供持久动力,它的耐用性,让人惊叹不已 它的长寿命,减少了资源浪费 畅享稳定顺滑的旋转之旅,,八零动力SKF角接触球轴承品种全,价格优,质量有保证!

用户关注最多的SKF轴承型号

SKF22248CC/W33* SKF7202B/DT SKFBT4B331907BG/HA4 SKFCR23646 SKFCR524371 SKFCR57531 SKFCR60X80X8HMSA10V SKFHMV106E SKFK64x70x16 SKFNA4909 SKFNCF29/800V SKFNJ222ECP* SKFNJ2310E SKFNKI80/25 SKFPCM222520B

2x718/670AGMB角接触球轴承近似的SKF轴承型号

SKF718/530AMB SKF2x718/560AGMB SKF718/1120AMB SKF718/530AC/VQ074 SKF71872ACM/P5 SKF718/750ACMB SKF718/600AC/VQ074 SKF718/710AMB SKF718/670ACMB SKF71872ACM/P5DB SKF2x718/560AGMB SKF2x718/710ACGMB

用户关注最多的轴承狗热门型号

SKF  HK0306TN TIMKEN  580/572D+X2S-580 FAG  SNV200-L + 2319-K-M-C3 + H2319X306 + FSV619 STEYR  NU1005 NACHI  7304CDF NTN  NNU4984K TIMKEN  780/773 SKF  CR26X37X7HMSA10RG STEYR  54202 SKF  CR20560 SKF  13944 FAG  NU1038-M1 SKF  SAF22518x3.1/4 KOYO  46T32211JR-1/48.5 FAG  SD3180-H-TS-BF-L + 231SM380-MA

版权所有©2009-2015 轴承狗zcgou.com ICP备案:津ICP备14004550号-13