SKFCR408503轴承详细参数

发布时间:2026-04-14
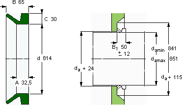
V形环密封件, VR4 设计
V形环密封件
da d A B C
最小 最大
mm mm - - - -
84185181432,56530VR4RCR 408503408503

SKFCR408503V型圈密封供应商

八零动力专业销售CR408503V型圈密封,库存SKFCR408503大量现货,与SKF合作,咨询热线:022-58519723业务咨询
SKFCR408503性能卓越的它,为机械设备的稳定运行提供了可靠保障高精度的制造工艺,造就了这款高品质的轴承先进的制造技术和严格的质量控制,造就了这款优质轴承稳定旋转的核心力量它在船舶工业中的应用,展现了它的耐腐蚀性 它的密封性能,完美抵御灰尘和杂质的侵袭 ,八零动力SKFV型圈密封品种全,价格优,质量有保证!

用户关注最多的SKF轴承型号

SKF22207EK* SKF7312BEY SKFCR150X190X15CRSH13R SKFCR17678 SKFCR32560 SKFCR34X48X8HMSA10V SKFCR36220 SKFCR740x780x16.5HDS1R1 SKFNJ2308ECP* SKFPFD1.1/4TR SKFQJ218 SKFSAFC2538x6.7/8 SKFSC7007DB/P7 SKFSC7015FB/P7 SKFSNL520TURU

CR408503V型圈密封近似的SKF轴承型号

SKFCR408503 SKFCR408500 SKFCR408903

用户关注最多的轴承狗热门型号

国产  NJ2228M TIMKEN  441 /432-B SKF  PCM455040B FYH  UCFLU318 国产  AXK6590 SKF  PCM110115115E SKF  NU315E NACHI  6012NSE SNR  7305AC/DF SKF  591/670F RHP  6206-Z KOYO  28680/22 KOYO  6321 SKF  CR11340 Stieber  S205

版权所有©2009-2015 轴承狗zcgou.com ICP备案:津ICP备14004550号-13