SKF6412NR轴承详细参数

发布时间:2026-04-14
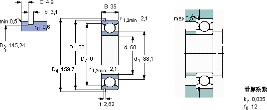
深沟球轴承, 单列,带止动环槽, 无密封件
主要数据尺寸 基本负荷额定值 疲劳负荷限值 额定速度 体积 型号
动态 静态 参照速度 限制速度 轴承 止动环
(R = 带止动环)
d D B C C0 Pu
mm kN kN r/min kg -
601503510869,52,91000063002,756412 NRSP 150

SKF6412NR深沟球轴承供应商

八零动力专业销售6412NR深沟球轴承,库存SKF6412NR大量现货,与SKF合作,咨询热线:022-58519723业务咨询
SKF6412NR它的耐用性,赢得了无数用户的信赖 设计独特的轴承,不仅性能优越,还具有很高的性价比这轴承的设计简直精妙绝伦,每一处细节都彰显着极致的工艺美学它的每一次转动,都是对精准度的极致追求 它的精密性,让它在高精度设备中无可替代 它在包装机械中的应用,确保了设备的高效率 ,八零动力SKF深沟球轴承品种全,价格优,质量有保证!

用户关注最多的SKF轴承型号

SKF24156CC/W33* SKF5308E SKF6216-2RS SKF7008FB/P7 SKF7212AC SKF81218 SKFBT1B334018/HA5 SKFCR10X22X7HMS5RG SKFCR28X47X10HMSA10V SKFCR40X62X10HMSA10V SKFHK2530.2RS SKFK30x37x18 SKFNU29/1320ECFR SKFNU418 SKFSYNT55LTF

6412NR深沟球轴承近似的SKF轴承型号

SKF6412N SKF6412NR SKF6412 SKF6412N SKF6413

用户关注最多的轴承狗热门型号

FAG  22228-E1 SKF  23080CCK/W33+OH3080H* FLT  NJ2218 NSK  6096M MRC  6020N SKF  N315E LYC  352956 X2/P5C9 NACHI  21318AX KOYO  47254 INA  IR40X50X20-IS1 NACHI  NJ2319 TIMKEN  64452A/64700D+X1S-64452 ZKL  N220 IKO  TA2025Z IKO  KT242813

版权所有©2009-2015 轴承狗zcgou.com ICP备案:津ICP备14004550号-13