SKFCR408903轴承详细参数

发布时间:2026-05-30
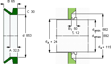
V形环密封件, VR4 设计
V形环密封件
da d A B C
最小 最大
mm mm - - - -
88289285332,56530VR4RCR 408903408903

SKFCR408903V型圈密封供应商

八零动力专业销售CR408903V型圈密封,库存SKFCR408903大量现货,与SKF合作,咨询热线:022-58519723业务咨询
SKFCR408903它的精密性,让它在高精度设备中无可替代 它的耐用性,赢得了无数用户的信赖 转动世界的精密之选,先进的制造技术,让这款轴承的质量达到了行业领先水平要设备更出色它的可靠性,赢得了无数工程师的信任 ,八零动力SKFV型圈密封品种全,价格优,质量有保证!

用户关注最多的SKF轴承型号

SKF249/1180CAK30F/W33 SKF314792A SKF7011DB/P7 SKF7014ACE/HCP4A SKF71915DB/P7 SKFC2318K+H2318* SKFCR10X19X7HMS5RG SKFCR14282 SKFCR32X62X10HMSA10V SKFCR60X82X12HMS5V SKFNN3034K/W33 SKFNNU6944V SKFNU317ECP SKFSC7015FB/P7 SKFW6203-2RS1

CR408903V型圈密封近似的SKF轴承型号

SKFCR408903 SKFCR408503 SKFCR409000

用户关注最多的轴承狗热门型号

SKF  NU2317ECP SKF  NK19/20 SKF  OKBS106 FAG  SNV120-L + 1311-K-TVH-C3 + H311X200 + TSV611X200 TIMKEN  70TPS132 国产  137210C 国产  61902-Z NTN  NU312 NACHI  6207-2NKE KOYO  6001-Z TIMKEN  93800D/93125 FAG  LOE218-N-BF-L TIMKEN  33251/33462D FAG  SNV090-L + 22210-E1-K + H310X112 + TSV510X112 IKO  AZ20034039

版权所有©2009-2015 轴承狗zcgou.com ICP备案:津ICP备14004550号-13