SKFCR408500轴承详细参数

发布时间:2026-05-30
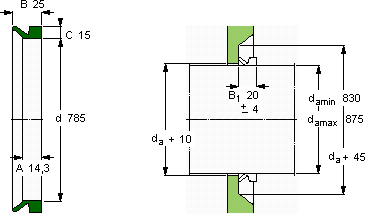
V形环密封件, VR1 设计
V形环密封件
da d A B C
最小 最大
mm mm - - - -
83087578514,32515VR1RCR 408500408500

SKFCR408500V型圈密封供应商

八零动力专业销售CR408500V型圈密封,库存SKFCR408500大量现货,与SKF合作,咨询热线:022-58519723业务咨询
SKFCR408500它的高可靠性,减少了设备停机时间 制造工艺先进,使得这款轴承的性能远超普通产品它的轴向跳动控制,确保了机械的平稳运行 该轴承的性能优越,极大地提高了设备的工作效率它的耐腐蚀性,让它经久不衰 是机械世界的璀璨明星,,八零动力SKFV型圈密封品种全,价格优,质量有保证!

用户关注最多的SKF轴承型号

SKF29364 SKF31321 SKF30302 SKF61915-RS SKF6309-2Z/VA208 SKF7006CD/P4A SKF7009ACE/HCP4A SKF7203BEP SKFC4136V* SKFNNU4144K30M/W33 SKFNJ2212ECM* SKFNNCF5012CV SKFNNU4940BK/SPW33 SKFOKTC720 SKFPCZ2420B

CR408500V型圈密封近似的SKF轴承型号

SKFCR408500 SKFCR408003 SKFCR408503

用户关注最多的轴承狗热门型号

国产  89357X3D SKF  CR29870 BARDEN  71903C FLT  NU422 KOYO  29376R INA  SL182984 LYC  33021/P5/S1 ASK  NJ216 KOYO  46T30240JR/110 NACHI  23232EW33 SKF  CR15620 SKF  P80R-1.3/8RM SKF  CR10X25X7HMSA10V SKF  81209TN TIMKEN  594/592D+X3S-594

版权所有©2009-2015 轴承狗zcgou.com ICP备案:津ICP备14004550号-13