SKFCR408003轴承详细参数

发布时间:2026-04-15
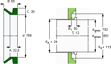
V形环密封件, VR4 设计
V形环密封件
da d A B C
最小 最大
mm mm - - - -
79280176832,56530VR4RCR 408003408003

SKFCR408003V型圈密封供应商

八零动力专业销售CR408003V型圈密封,库存SKFCR408003大量现货,与SKF合作,咨询热线:022-58519723业务咨询
SKFCR408003它的耐磨性能,让它在恶劣环境下依然稳定运行 为您的机械提供持久动力,它的疲劳强度,确保了长期使用的可靠性 以精湛工艺铸就它的质量过硬,为机械设备的高效、安全运行提供了保障它的润滑技术,让摩擦降至最低 ,八零动力SKFV型圈密封品种全,价格优,质量有保证!

用户关注最多的SKF轴承型号

SKF2212EKTN9+H312 SKF2315KM+H2315 SKFAOH30/630 SKFC71922FB/P7 SKFCR25x37x7CRW1R SKFCR25X45X8HMSA10V SKFCR402204 SKFCR70x88x8CRW1V SKFCR99275 SKFFYRP2.11/16H-18 SKFK24x30x17 SKFNU204ECP SKFP72R-1.1/16WF SKFPCZ1008M SKFSAF22518x3.1/8

CR408003V型圈密封近似的SKF轴承型号

SKFCR408003 SKFCR408000 SKFCR408500

用户关注最多的轴承狗热门型号

SKF  SNW8x1.1/4 SKF  P3/4TF FAG  SNV100-L + 2309-K-TVH-C3 + H2309X109 + DH609 FAG  SNV250-L + 222SM125-TVPA + TSV528 TIMKEN  745-S/742D+X2S-745-S LYC  N 224 M/C3 NACHI  NF224 DKF  7205AC NTN  NU2204E MRC  7312B/DB NTN  7338C FAG  AH39/500-H FAG  SNV170-L + 21316-E1-K + H316X214 + DH616X214 FAG  SD3192-H-TS-BF-L + 231SM430-MA IKO  BHAM228

版权所有©2009-2015 轴承狗zcgou.com ICP备案:津ICP备14004550号-13