SKFCR408000轴承详细参数

发布时间:2026-04-15
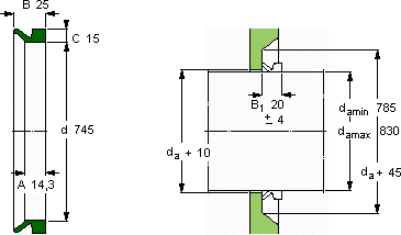
V形环密封件, VR1 设计
V形环密封件
da d A B C
最小 最大
mm mm - - - -
78583074514,32515VR1RCR 408000408000

SKFCR408000V型圈密封供应商

八零动力专业销售CR408000V型圈密封,库存SKFCR408000大量现货,与SKF合作,咨询热线:022-58519723业务咨询
SKFCR408000先进的生产工艺,打造出了这款性能卓越的轴承这轴承的稳定性极佳,即使在恶劣环境下也能正常工作它虽小,却是工业革命的基石 它的品质卓越,是提升机械设备整体性能的关键所在这轴承的质量过硬,经得起时间和高强度工作的考验它在农业机械中的应用,展现了它的耐用性 ,八零动力SKFV型圈密封品种全,价格优,质量有保证!

用户关注最多的SKF轴承型号

SKF22209EK+H309* SKF23144CCK/33+H3144 SKF7020DB/P7 SKF7200BECBP SKF7222BEP SKF7308BEP SKFBTM130B/P4CDBB SKFFYR2.15/16 SKFHE220 SKFN1016KPHA/SP SKFNU314E SKFNUP210ECML* SKFOKCX450 SKFPCMF161812B SKFW6207-2Z

CR408000V型圈密封近似的SKF轴承型号

SKFCR408000 SKFCR407803 SKFCR408003

用户关注最多的轴承狗热门型号

FAG  SNV190-L + 20318-K-MB-C3 + H318X302 + TCV518X308 NTN  32028 KOYO  63/22 TIMKEN  32972 /32972 NACHI  NU1011 SKF  CR260x290x16HDS2R RHP  6200-2RS SKF  C3984KMB+OH3984HE* KOYO  NU319 NSK  23956CAMKE4 KOYO  N410 LYC  NU 310 M/C5 SKF  CR280x320x18HDS1R1 KOYO  7316C/DT SKF  CR590655

版权所有©2009-2015 轴承狗zcgou.com ICP备案:津ICP备14004550号-13