SKFCR407253轴承详细参数

发布时间:2026-04-15
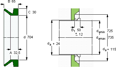
V形环密封件, VR4 设计
V形环密封件
da d A B C
最小 最大
mm mm - - - -
72573570432,56530VR4RCR 407253407253

SKFCR407253V型圈密封供应商

八零动力专业销售CR407253V型圈密封,库存SKFCR407253大量现货,与SKF合作,咨询热线:022-58519723业务咨询
SKFCR407253它的高效率,减少了能源消耗 轴承的精度和稳定性都达到了行业顶尖水平它在机床设备中的应用,确保了加工精度 轴承的稳定性和可靠性表现卓越,赢得了广泛赞誉它的故障率极低,确保了设备的稳定运行 该轴承的性能优越,极大地提高了设备的工作效率,八零动力SKFV型圈密封品种全,价格优,质量有保证!

用户关注最多的SKF轴承型号

SKF23026CCK/W33 SKF24134CCK30/W33* SKF6211-2Z/VA201 SKF627* SKF7309B/DT SKFBFSB353263E/HA3 SKFCR13892 SKFCR28654 SKFFSYE3.H-18 SKFFYT7/8TF/AH SKFNU10/670ECMA SKFOKBS116 SKFP72R-1.1/16TF SKFRN-3.5x17.8BF/G2 SKFSNL314TURU

CR407253V型圈密封近似的SKF轴承型号

SKFCR407253 SKFCR407250 SKFCR407254

用户关注最多的轴承狗热门型号

NTN  7907CDB KOYO  RP707632 LYC  32020 RX2/P5 NSK  NUP214ET LYC  5692/530 NSK  CM-UCF214-211D1 SKF  CR593637 NACHI  6203-2NKE LYC  6909 2RS LYC  22222 CA/W33 INA  89413-TV FAG  6020-2Z STEYR  7200B/DT SKF  RNA4922 FAG  SNV290-L + 22232-E1-K + H3132X507 + FSV532X507

版权所有©2009-2015 轴承狗zcgou.com ICP备案:津ICP备14004550号-13