SKFCR407250轴承详细参数

发布时间:2026-04-14
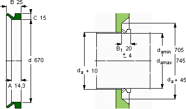
V形环密封件, VR1 设计
V形环密封件
da d A B C
最小 最大
mm mm - - - -
70574567014,32515VR1RCR 407250407250

SKFCR407250V型圈密封供应商

八零动力专业销售CR407250V型圈密封,库存SKFCR407250大量现货,与SKF合作,咨询热线:022-58519723业务咨询
SKFCR407250它在家用电器中的应用,让生活更加便捷 成就非凡转动体验让您的设备一顺到底,轴承的稳定性和可靠性表现出色,赢得了用户的高度认可是您设备高效运转的可靠伙伴,制造工艺精湛,使得这款轴承在运转时更加顺畅平稳它的精准度,让机械运转分毫不差 ,八零动力SKFV型圈密封品种全,价格优,质量有保证!

用户关注最多的SKF轴承型号

SKF22232CC/W33* SKF22248CCK/W33 SKF5310A-2RS1* SKF71910FB/P7 SKF7309BECBM* SKFBEAS025057-2RS SKFCR1200239 SKFCR19300 SKFCR21281 SKFCR30145 SKFCR49929 SKFCR65X85X12HMS5RG SKFNN3048K/SPW33 SKFOKBS120 SKFSYNT65FTF

CR407250V型圈密封近似的SKF轴承型号

SKFCR407250 SKFCR407003 SKFCR407253

用户关注最多的轴承狗热门型号

MRC  7332C DKF  7302AC/DT SKF  22334CC/W33 LYC  23160 K/W33 STEYR  7328B/DF SKF  CR99159 LYC  010.75.3150.03K1 NTN  22352CACK/W33 LYC  NJ 2336 EM INA  GE30-KRR-B-FA125.5 INA  CSCB042 SKF  FYC50FM TIMKEN  67388/67322DC+X1S-67388 LYC  NN 3096 K/P5W33 AET  NU238

版权所有©2009-2015 轴承狗zcgou.com ICP备案:津ICP备14004550号-13