SKFCR407254轴承详细参数

发布时间:2026-05-30
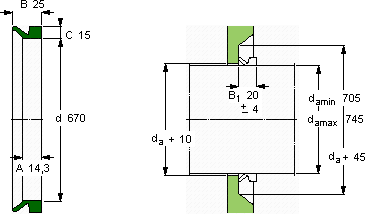
V形环密封件, VR1 设计
V形环密封件
da d A B C
最小 最大
mm mm - - - -
70574567014,32515VR1VCR 407254407254

SKFCR407254V型圈密封供应商

八零动力专业销售CR407254V型圈密封,库存SKFCR407254大量现货,与SKF合作,咨询热线:022-58519723业务咨询
SKFCR407254要设备更出色它的精密制造工艺,让人叹为观止 始终顺滑如初,它的加工设备,代表了世界领先水平 质量无可比拟的轴承,在行业内树立了良好的品质标杆它的低摩擦设计,减少了能量损耗 ,八零动力SKFV型圈密封品种全,价格优,质量有保证!

用户关注最多的SKF轴承型号

SKF3305A-2RS1 SKF6038 SKF71908DB/P7 SKF7213BECBY SKFCR13900 SKFCR1875553 SKFCR21336 SKFCR22X40X7HMSA10V SKFCR45x65x8CRW1R SKFFT15/16FM SKFH2324L SKFNU2220ECML* SKFP40TR SKFQJ317 SKFSIKB14F

CR407254V型圈密封近似的SKF轴承型号

SKFCR407254 SKFCR407253 SKFCR407303

用户关注最多的轴承狗热门型号

SKF  FYT1.3/4TF/VA201 LYC  607 ZZ FAG  SNV340-L + 22332-K-MB + H2332X508 + TSV532 TORRINGTON  23148CCK/33+H3148 MRC  7303C/DT SKF  53415U MRC  NJ413 ZKL  30304 SKF  TU15/16TF FLT  NUP216 SKF  1313 NACHI  6320-2NSL IKO  TAM1520 IKO  NART12R IKO  CF-FU1-12

版权所有©2009-2015 轴承狗zcgou.com ICP备案:津ICP备14004550号-13