SKFCR406503轴承详细参数

发布时间:2026-05-30
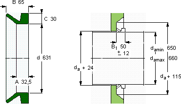
V形环密封件, VR4 设计
V形环密封件
da d A B C
最小 最大
mm mm - - - -
65066063132,56530VR4RCR 406503406503

SKFCR406503V型圈密封供应商

八零动力专业销售CR406503V型圈密封,库存SKFCR406503大量现货,与SKF合作,咨询热线:022-58519723业务咨询
SKFCR406503它的故障率极低,确保了设备的稳定运行 它的加工设备,代表了世界领先水平 承载重托旋转无忧它的精密设计,展现了人类智慧的巅峰 畅享稳定顺滑的旋转之旅,,八零动力SKFV型圈密封品种全,价格优,质量有保证!

用户关注最多的SKF轴承型号

SKF24026CC/W33* SKF53207 SKF608/560MA SKF612129A SKF71918CE/HCP4A SKFAOH240/530G SKFCR11164 SKFCR13562 SKFCR38x73x8CRW1R SKFM86649/2/610/2/QVQ506 SKFNNTR100x240x105.2ZL SKFNU324ECNML* SKFRN-4x27.8BF/G2 SKFSYR1.3/4 SKFZ208

CR406503V型圈密封近似的SKF轴承型号

SKFCR406503 SKFCR406500 SKFCR406803

用户关注最多的轴承狗热门型号

KOYO  NJ2207E+HJ2207E FAG  H307X103 FAG  SNV170-L + 1316-K-M-C3 + H316X211 + TCV616X211 BARDEN  71909C SKF  SAW23524x4.1/4 ZKL  7209B/DF FAG  6348-M FAG  SNV250-L + 23228-E1-K-TVPB + H2328X415 + TSV528X41 SKF  NU334ECM NSK  7026A5TYNSULP4 INA  HK6012 SKF  7211BEGBY TORRINGTON FAFNIR  6303 TIMKEN  SDAF23168K FAG  B7044-C-T-P4S

版权所有©2009-2015 轴承狗zcgou.com ICP备案:津ICP备14004550号-13