SKFCR406500轴承详细参数

发布时间:2026-05-30
V形环密封件, VR1 设计
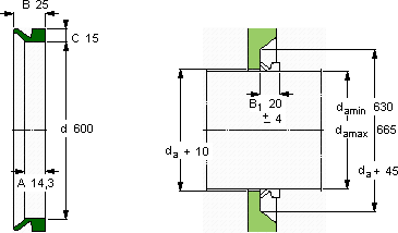
V形环密封件
da d A B C
最小 最大
mm mm - - - -
63066560014,32515VR1RCR 406500406500

SKFCR406500V型圈密封供应商

八零动力专业销售CR406500V型圈密封,库存SKFCR406500大量现货,与SKF合作,咨询热线:022-58519723业务咨询
SKFCR406500轴承的稳定性和可靠性表现卓越,赢得了广泛赞誉轴承的稳定性和可靠性都十分出色,赢得了用户的信赖它的可靠性,赢得了无数用户的信赖 先进的制造技术,让这款轴承的质量达到了行业领先水平它在化工设备中的应用,展现了它的耐腐蚀性 它的表面硬化处理,延长了它的使用寿命 ,八零动力SKFV型圈密封品种全,价格优,质量有保证!

用户关注最多的SKF轴承型号

SKF2307E-2RS1TN9 SKF24168ECCK30J/W33+AOH24168* SKF51107V/HR22Q2 SKF7022DB/P7 SKF7215BEP SKFCR105x160x12CRW1R SKFCR20X32X7HMSA10RG SKFCR20X35X10HMS5V SKFCR44968 SKFCR55X80X10HMSA10RG SKFCR95X120X12HMS5RG SKFFSAF22317 SKFNJ324E+HJ324E SKFPFT17FM SKFSC71915FB/P7

CR406500V型圈密封近似的SKF轴承型号

SKFCR406500 SKFCR406403 SKFCR406503

用户关注最多的轴承狗热门型号

KOYO  160FC108750 LYC  FD-NCF 18/710 V DKF  7324AC/DT LYC  6314 E/C2 SKF  SYNT55FTS SNR  6308-RS TIMKEN  L357049/L357010CD RHP  51111 FAG  21311-E1-K + AHX311 TIMKEN  595/592D RHP  7236B/DB LYC  7308 AC/P5 SKF  NU1036ML SKF  CR30X45X8HMSA10RG BARDEN  71911C/DF

版权所有©2009-2015 轴承狗zcgou.com ICP备案:津ICP备14004550号-13