SKFKMT22轴承详细参数

发布时间:2026-04-15
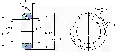
带锁紧销的KMT精密锁紧定螺母
螺纹尺寸 尺寸 轴向负荷 体积 型号 平头螺钉
承载能力 锁定螺母 适宜的板手 尺寸 推荐的紧固扭矩
d3 B G 静态
- mm - kN kg --- Nm
11013432M 110x28001,45KMT 22HN 21-22M 1035

SKFKMT22轴承附件供应商

八零动力专业销售KMT22轴承附件,库存SKFKMT22大量现货,与SKF合作,咨询热线:022-58519723业务咨询
SKFKMT22它的材质选择,体现了对品质的极致追求 品质卓越的它,为机械设备的稳定、高效运行提供了支持它的轴向游隙控制,精准到令人惊叹 卓越的性能和可靠的质量,让这款轴承成为市场的宠儿这款轴承的性能卓越,有效提高了设备的运行可靠性零误差起步,八零动力SKF轴承附件品种全,价格优,质量有保证!

用户关注最多的SKF轴承型号

SKF16008/HR11QN SKF2210E-2RS1KTN9+H310C SKF320/32X/Q SKF32303J2/Q SKF33024 SKF6220-2Z/VA228 SKF7013CE/HCP4A SKF70/1000AMB SKF7215C SKFBC4B457945VCA SKFKMT40 SKFNNF5005ADB-2LSV SKFPCM505560B SKFPWM283420 SKFRN-1.5x5.8BF/G2

KMT22轴承附件近似的SKF轴承型号

SKFKMT22 SKFHE222 SKFAHX3222G SKFAHX3122 SKFH2322 SKFSNW22x4 SKFAH24122 SKFW22 SKFSNW22x3.7/8 SKFAH2238G SKFKMT20 SKFKMT24

用户关注最多的轴承狗热门型号

KOYO  23184CACK/W33+H3184 SKF  1207K+H207 LYC  22330 CAK LYC  351176 国产  UC214 NSK  7207BDB STEYR  1206 FAG  B71914-E-T-P4S SKF  NU12/560MA SKF  OKBS71 NSK  CM-UCP206D1 SKF  PWM303640 TIMKEN  65BIC298 FAG  SNV215-L + 21320-E1-TVPB + TCV320 IKO  GBR263520U

版权所有©2009-2015 轴承狗zcgou.com ICP备案:津ICP备14004550号-13