SKFCR406403轴承详细参数

发布时间:2026-05-30
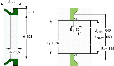
V形环密封件, VR4 设计
V形环密封件
da d A B C
最小 最大
mm mm - - - -
64065062132,56530VR4RCR 406403406403

SKFCR406403V型圈密封供应商

八零动力专业销售CR406403V型圈密封,库存SKFCR406403大量现货,与SKF合作,咨询热线:022-58519723业务咨询
SKFCR406403它的每一次转动,都是对精准度的极致追求 它的质量卓越,为机械设备的安全运行保驾护航它在化工设备中的应用,展现了它的耐腐蚀性 先进的制造工艺,让这款轴承的性能更加稳定可靠它的高效率,减少了能源消耗 它的质量可靠,是众多机械设备制造商的首选配件,八零动力SKFV型圈密封品种全,价格优,质量有保证!

用户关注最多的SKF轴承型号

SKF22222EK+H322* SKF32218J2/DF SKF7244C/DT SKFBFSD353124CU SKFCR19449 SKFCR32X62X10HMS5V SKFCR542506 SKFK50x55x17 SKFN232E SKFNCF28/710V SKFNJ1940ECMP SKFNU260MA SKFNUP310ECJ* SKFPCM10511060M SKFS71910ACD/P4A

CR406403V型圈密封近似的SKF轴承型号

SKFCR406403 SKFCR406303 SKFCR406500

用户关注最多的轴承狗热门型号

ASK  NJ407 RIV  NJ226 FAG  BND2256-H-W-T-BF-S 国产  517/42.6V DKF  7208AC/DF SKF  CR18492 NTN  NF248 STEYR  54316 RHP  7311B/DF INA  RNA4917 NTN  61810-2Z SKF  22311CCK/W33+H2311 LYC  NJ 2317 M FAG  SNV200-L + 21319-E1-K-TVPB + H319 + TCV519 SKF  314990A

版权所有©2009-2015 轴承狗zcgou.com ICP备案:津ICP备14004550号-13