SKFCR405803轴承详细参数

发布时间:2026-04-15
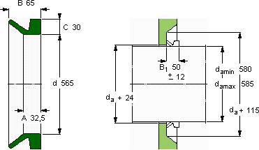
V形环密封件, VR4 设计
V形环密封件
da d A B C
最小 最大
mm mm - - - -
58058556532,56530VR4RCR 405803405803

SKFCR405803V型圈密封供应商

八零动力专业销售CR405803V型圈密封,库存SKFCR405803大量现货,与SKF合作,咨询热线:022-58519723业务咨询
SKFCR405803它的耐用性,让人惊叹不已 这款轴承的稳定性极佳,在长时间运行中也能保持良好状态它在食品机械中的应用,展现了它的卫生性能 是您设备高效运转的可靠伙伴,性能卓越的它,为机械设备的稳定运行提供了可靠保障开启顺畅运行新时代,,八零动力SKFV型圈密封品种全,价格优,质量有保证!

用户关注最多的SKF轴承型号

SKF25877/2/25821/2/Q SKF313877B SKF628* SKFC7013DB/P7 SKFCR35x56x8CRW1V SKFFSYE2.15/16-3 SKFH3128L SKFN2319 SKFNJG2317VH SKFNKI9/12 SKFNNU40/750M/W33 SKFOKCX800 SKFPCM707550M SKFPCMS1005002.0M SKFSYF20FM

CR405803V型圈密封近似的SKF轴承型号

SKFCR405803 SKFCR405753 SKFCR405903

用户关注最多的轴承狗热门型号

SKF  CR148X170X15HMS5RG SKF  K105x112x21 国产  61912-2Z SKF  NJ211E TORRINGTON  AXK1528 SKF  22315E NTN  NUP406 KOYO  7024C KOYO  24156RHAK30+AH24156 TIMKEN  33014/33014 FYH  UKFU208+H2308 国产  51132M KOYO  22218CCK/W33+H318 FAG  4209-B-TVH LYC  N 1030

版权所有©2009-2015 轴承狗zcgou.com ICP备案:津ICP备14004550号-13